Foram encontradas 40 questões.
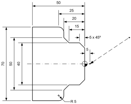
Analise o desenho abaixo.

Com base na análise, a alternativa de programação correta para a fabricação da peça por torneamento CNC, com base no comando MACH é
Provas
Questão presente nas seguintes provas
Analise as afirmações abaixo sobre eixos:
I. Para minimizar as tensões e deflexões, o comprimento do eixo deve ser mantido o maior possível e os trechos em balanço, serem minimizados.
II. Um eixo vazado têm uma razão melhor de rigidez específica e freqüências naturais mais altas que aquelas de um eixo comparavelmente rígido ou sólido, mas ele será mais caro e terá um diâmetro externo maior.
III. A deflexão normalmente é o fator crítico no projeto de eixo, porque deflexões excessivas causarão o rápido desgaste dos mancais do eixo.
IV. Soderberg, Goodman e Müeller são critérios de falha aplicados ao projeto de eixo.
Estão corretas as afirmativas
Provas
Questão presente nas seguintes provas
Analise as questões abaixo sobre chavetas e rasgos de chaveta e assinale a alternativa INCORRETA
Provas
Questão presente nas seguintes provas
Sobre materiais utilizados em ferramenta s de corte , afirma se que
I. as ferramentas de diamante são indicadas para usinagem de metais ferrosos.
II. a adição de cobalto nos aços rápidos confere maior resistência ao desgaste.
III. os revestimentos de TiN conferem resistência a altas temperaturas em ferramentas de aço rápido.
IV. as ferramentas de cerâmica são preferencialmente utilizadas em tornos convencionais.
Estão corretas as afirmativas
Provas
Questão presente nas seguintes provas
Qual dos quatro itens abaixo NÃO é considerado como um fator quantitativo na avaliação do grau de usinabilidade dos materiais?
Provas
Questão presente nas seguintes provas
Sobre fluidos de corte afirma se
I. O arrastamento dos cavacos é uma das funções do fluido de corte.
II. A emulsão de bissulfeto de molibdênio com água é utilizada em altas temperaturas de usinagem.
III. Os óleos minerais puros apresentam a vantagem de lubrificar as guias e partes móveis das máquinas.
IV. Nas ligas de magnésio não é recomendado a utilização de soluções aquosas.
Estão corretas as afirmativas
Provas
Questão presente nas seguintes provas
Sobre mancais de rolamento afirma se que:
I. Sob condições típicas de operação, a falha por fadiga superficial é o modo mais provável de falha.
II. A distribuição gaussiana é a que melhor se ajusta a curva distribucional da medida de vida.
III. O número de revoluções do anel interno e o número de horas de uso, na velocidade de projeto, são medidas comuns de vida.
IV. Para aplicações críticas, uma porcentagem maior do que 10% de falha pode ser usada, mas a maior parte dos fabricantes têm padronizado a vida L10 como meio de definição da vida característica, sob carga, de um mancal.
Estão corretas as afirmativas
Provas
Questão presente nas seguintes provas
Analise a seguinte definição: “Grandeza que define um intervalo em torno do resultado de uma medição com a qual se espera abranger uma grande fração da distribuição dos valores que possam ser razoavelmente atribuídos ao mensurando”.
A que tipo de incerteza refere se essa definição?
Provas
Questão presente nas seguintes provas
Analise as proposições abaixo à respeito dos fatores modificadores do limite de resistência à fadiga:
I. A composição do material não afeta o limite de resistência à fadiga;
II. Corrosão e temperatura são fatores ambientais que afetam o limite de resistência à fadiga;
III. Os métodos de manufatura afetam o limite de resistência à fadiga, apenas nos casos em que introduzem rugosidade s no componente fabricado;
IV. A microestrutura do material afeta de maneira significativa o limite de resistência à fadiga.
A partir dessas afirmações, estão corretas as afirmativas
Provas
Questão presente nas seguintes provas
Analise as afirmações abaixo sobre a teoria de corte dos materiais:
I. A usinagem com gume postiço aumenta a vida útil da ferramenta.
II. O cavaco contínuo é mais desejável do ponto de vista do acabamento da superfície usinada.
III. O cavaco arrancado é bastante comum na usinagem de materiais frágeis, como o ferro fundido e o latão.
IV. O cavaco cisalhado apresenta qualidade superior ao cavaco contínuo do ponto de vista do nível de vibrações na ferramenta.
Estão corretas as afirmativas
Provas
Questão presente nas seguintes provas
Cadernos
Caderno Container