Foram encontradas 40 questões.
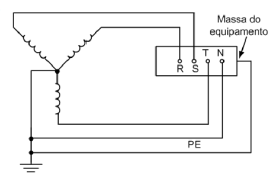
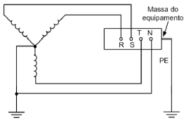
Considere as três configurações de aterramento abaixo.
I -

II -

III -

Sobre elas, é correto afirmar que o item
Provas
Questão presente nas seguintes provas
Analise a figura abaixo.

Considere que cada resistor possui uma resistência de 6 Ω e todos os outros fios são ideais.
A resistência equivalente do circuito entre os pontos A e B é
Provas
Questão presente nas seguintes provas
Observe o circuito abaixo, considerando que o Amperímetro A1 está regulado para mostrar o valor eficaz da corrente elétrica.

Qual a corrente elétrica que o Amperímetro A1 deverá mostrar, sabendo que a fonte é ideal e sua tensão é dada por !$ v(t) = 90 \sqrt{2} cos (1000 t) !$ V?
Provas
Questão presente nas seguintes provas
No circuito elétrico abaixo, a diferença de potencial entre os pontos A e B é de 64,5 V e a corrente elétrica que passa pelo resistor de 16 Ω é de 1,5

A representação do valor aproximado do resistor R é
Provas
Questão presente nas seguintes provas
Considere um capacitor num circuito de telefone com uma capacitância de 3 μF.
Qual o valor aproximado da corrente elétrica que passa através dele, quando se aplicam 15V em 800Hz?
Provas
Questão presente nas seguintes provas
Com relação aos tipos de fornecimento de energia, tem-se:
Trifásico – quatro condutores (três fases e o neutro).
Bifásico – três condutores (duas fases e o neutro).
Monofásico – dois condutores (uma fase e o neutro).
Qual relaciona (de cima para baixo) o tipo de fornecimento de energia com o tipo de consumidor, segundo o Regulamento de Instalações Consumidoras de Baixa Tensão (RIC-BT - CEEE)?
Provas
Questão presente nas seguintes provas
Considere os seguintes itens sobre o Sistema de Alimentação Elétrico para Serviços de Segurança (SAESS):
I. Motores elétricos de uso geral.
II. Iluminação de emergência.
III. Sinalização de rotas de fuga para a evacuação de locais.
IV. Tomadas de corrente e pontos de tomadas.
V. Tomadas de uso específico.
VI. Sistemas de detecção de fumaça e fogo.
Estão corretos apenas os itens
Provas
Questão presente nas seguintes provas
Considere um chuveiro elétrico com uma potência de 5.500 W e 220 V, funcionando durante 30 minutos.
Qual a corrente elétrica no circuito e a energia elétrica consumida, respectivamente?
Provas
Questão presente nas seguintes provas
No circuito abaixo, as fontes de tensão são ideais, as correntes elétricas têm os sentidos indicados e i1 = 1,5 A. O resistor R1 tem o valor de 80 Ω e o resistor R2 de 20 Ω.

Qual o valor da resistência R?
Provas
Questão presente nas seguintes provas
A figura abaixo representa a etapa de potência de uma chave de partida Estrela-Triângulo.

Baseando-se na figura, Qual é a sequência lógica de funcionamento, respectivamente, das contatoras K1, K2 e K3, para que o motor trifásico parta conforme o objetivo da chave?
Provas
Questão presente nas seguintes provas
Cadernos
Caderno Container