Magna Concursos

Foram encontradas 40 questões.

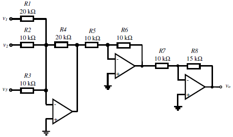
1413474 Ano: 2008
Disciplina: Engenharia Eletrônica
Banca: IF-SUL
Orgão: IF-SUL
Observe o circuito abaixo.
Enunciado 1413474-1
A tensão de saída, considerando os amplificadores operacionais ideais, é dada por
 

Provas

Questão presente nas seguintes provas
1412546 Ano: 2008
Disciplina: Engenharia Elétrica
Banca: IF-SUL
Orgão: IF-SUL
Observe o circuito abaixo.
Enunciado 1412546-1
Os valores do resistor R6 e da corrente I5 valem, respectivamente,
 

Provas

Questão presente nas seguintes provas
1411924 Ano: 2008
Disciplina: Engenharia Eletrônica
Banca: IF-SUL
Orgão: IF-SUL
Observe o circuito abaixo e o Mapa de Karnaugh.
Enunciado 1411924-1
A porta lógica que completa o circuito digital é
 

Provas

Questão presente nas seguintes provas
1411584 Ano: 2008
Disciplina: Engenharia Eletrônica
Banca: IF-SUL
Orgão: IF-SUL
Observe o circuito RLC paralelo na figura abaixo
Enunciado 1411584-1
As correntes parciais para uma freqüência de 60Hz valem, respectivamente:
 

Provas

Questão presente nas seguintes provas
1408721 Ano: 2008
Disciplina: Engenharia Eletrônica
Banca: IF-SUL
Orgão: IF-SUL
Observe o sistema abaixo.
Enunciado 1408721-1
A matriz de transferência entre a saída e as entradas é dada por
 

Provas

Questão presente nas seguintes provas
1408187 Ano: 2008
Disciplina: Engenharia Eletrônica
Banca: IF-SUL
Orgão: IF-SUL
Observe o sistema abaixo.
Enunciado 1408187-1
A região de valores de K para haver estabilidade é dada por
 

Provas

Questão presente nas seguintes provas
1405791 Ano: 2008
Disciplina: Engenharia Elétrica
Banca: IF-SUL
Orgão: IF-SUL
Em uma instalação elétrica se obteve com o Wattímetro 6 kW e com o Varímetro 8 kVar. O que significa e qual será o valor do fator de potência dessa instalação?
 

Provas

Questão presente nas seguintes provas
1405780 Ano: 2008
Disciplina: Engenharia Eletrônica
Banca: IF-SUL
Orgão: IF-SUL
Observe o circuito abaixo.
Enunciado 1405780-1
Assumindo a operação no modo ativo, os valores das correntes do circuito são
 

Provas

Questão presente nas seguintes provas
1404652 Ano: 2008
Disciplina: Engenharia Eletrônica
Banca: IF-SUL
Orgão: IF-SUL
Considere a função rampa abaixo, onde A é uma constante:
!$ f \, (t) \, = \, 0 \,\,\,\,\, para \,\, t \, < \, 0 !$
!$ f \, (t) \, = \, A \, . \, t \,\,\,\,\, para \,\, t \, \ge \, 0 !$
A transformada de Laplace da função rampa é dada por
 

Provas

Questão presente nas seguintes provas
1403450 Ano: 2008
Disciplina: Engenharia Eletrônica
Banca: IF-SUL
Orgão: IF-SUL
Um dado microprocessador possui 20 pinos de endereços (A0-A19).
Quantos algarismos hexadecimais são necessários para representar qualquer endereço fornecido por esse microprocessador?
 

Provas

Questão presente nas seguintes provas