Foram encontradas 40 questões.
Observe o circuito abaixo:

Para que o ângulo de fase da corrente seja de 30° em regime permanente, a freqüência do circuito deve ser
Provas
Questão presente nas seguintes provas
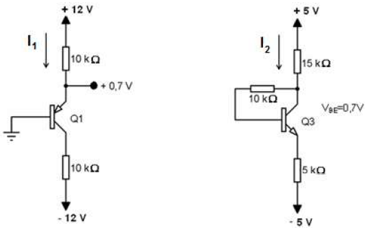
Observe os circuitos abaixo:

Considerando que os transistores possuam ganho de corrente (!$ \beta !$) muito elevado, as correntes I_1 e I_2 são, respectivamente
Provas
Questão presente nas seguintes provas
Observe os circuitos abaixo:

Supondo diodos ideais, os valores de I1, I2, I3 e I4 são, respectivamente,
Provas
Questão presente nas seguintes provas
Considerando o dígito mais à esquerda como sendo o mais significativo, a forma correta de representar o número decimal 93 em BCD é
Provas
Questão presente nas seguintes provas
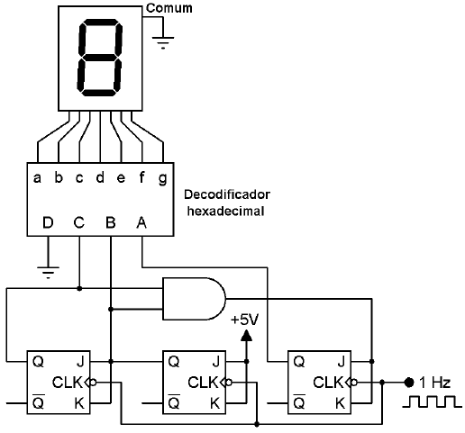
Observe o circuito abaixo:

Os números são apresentados no display, repetidamente, na seguinte seqüência:
Provas
Questão presente nas seguintes provas
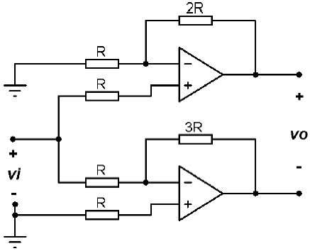
Observe o circuito abaixo:

Supondo amplificadores operacionais ideais, o ganho de tensão (vo/vi) é
Provas
Questão presente nas seguintes provas
Sobre um motor de indução trifásico com rotor gaiola de esquilo é INCORRETO afirmar que
Provas
Questão presente nas seguintes provas
A indutância de um solenóide de seção reta NÃO depende
Provas
Questão presente nas seguintes provas
O funcionamento de uma porta AND de quatro entradas pode ser reproduzido por um circuito constituído somente por portas NOR de duas entradas. Nesse caso, qual é a quantidade mínima de portas NOR necessárias para elaborar esse circuito?
Provas
Questão presente nas seguintes provas
Observe o circuito abaixo:

Considerando D1, um diodo ideal, a quantidade de carga elétrica por unidade de tempo que atravessa a seção reta do condutor no ponto ‘A’ é
Provas
Questão presente nas seguintes provas
Cadernos
Caderno Container