Foram encontradas 400 questões.

O circuito da figura 03 é um amplificador com entrada vi e saída vo, ambas em tensão. Considerando-se que o amplificador operacional tem características “ideais”, qual é o valor do ganho de tensão AV=vo/vi, sendo que R1= R2= R4= 1 kΩ e R3= 0 Ω?
Provas
Questão presente nas seguintes provas
A reforma curricular do Ensino Médio estabelece a divisão do conhecimento escolar em áreas, uma vez que entende os conhecimentos cada vez mais imbricados aos conhecedores, seja no campo técnico-científico, seja no âmbito do cotidiano da vida social. Nesse sentido, as áreas de conhecimento são em função do compartilhamento de objetos de estudo e, portanto, mais facilmente se comunicam, criando condições para que a prática escolar se desenvolva numa perspectiva de interdisciplinaridade.
Tomando-se como referência os Parâmetros Curriculares Nacionais para o Ensino Médio (PCN), onde estaria incluído o componente curricular de Química?
Provas
Questão presente nas seguintes provas

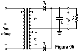
O circuito da figura 05 é um retificador de onda completa com tap central e capacitor de filtragem. Ele está operando em uma rede elétrica de 60 Hz, fornecendo uma tensão média à carga R de 12 V, com um ripple de 1,0 Vpp. Considerando-se que os diodos apresentam uma queda de tensão de 1,0 V quando em condução (devido à alta corrente pulsada), qual é o valor da tensão reversa máxima a que estes diodos são submetidos?
Provas
Questão presente nas seguintes provas

O circuito da figura 09 é composto por quatro MOSFETs canal N do tipo enriquecimento. Considerando-se que todos os transistores são idênticos e que estão operando na região de saturação (ativa), qual é o valor aproximado da corrente Io, que passa pelo dreno de M4?
Provas
Questão presente nas seguintes provas
Um motivo pelo qual os peixes são altamente perecíveis é devido à estrutura coloidal da sua proteína muscular, com grande quantidade de substâncias extrativas. Essas substâncias extrativas livres são também as principais responsáveis pelo aroma e sabor específicos do peixe fresco. Relacione a 2ª coluna de acordo com a 1ª, para os compostos extrativos de pescado e seus principais constituintes.
1 – Aminoácidos livres
2 – Peptídeos
3 – Compostos amoniacais
4 – Compostos guanidínicos
5 – Nucleotídeos
2 – Peptídeos
3 – Compostos amoniacais
4 – Compostos guanidínicos
5 – Nucleotídeos
( ) Óxido de trimetilamina e betaínas
( ) ATP, ADP, IMP, inosina
( ) Taurina, glicina, ornitina, histidina, etc.
( ) Creatina, arginina, creatinina, etc.
( ) Carnosina, anserina, glutationas, etc.
A sequência correta de cima para baixo, é
Provas
Questão presente nas seguintes provas

No circuito representado na Figura 1, o transistor Q1 pode ser danificado se
Provas
Questão presente nas seguintes provas

O circuito da figura 8, com amplificador operacional ideal, refere-se a um
Provas
Questão presente nas seguintes provas
Considerando o n-butano em que um de seus hidrogênios foi substituído por átomos de cloro, são feitas as seguintes afirmações, em relação aos possíveis produtos dessa substituição:
I. Na reação podem ser formados isômeros de posição.
II. Um dos produtos apresenta isomeria óptica.
III. Um dos produtos apresentaria isomeria geométrica.
II. Um dos produtos apresenta isomeria óptica.
III. Um dos produtos apresentaria isomeria geométrica.
Está(ão) correta(s) a(s) afirmativa(s)
Provas
Questão presente nas seguintes provas
O tempo de recuperação reversa “trr” de um determinado diodo mostrou-se demasiado para uma aplicação em alta freqüência. Nesse caso, substitui-se o diodo por
Provas
Questão presente nas seguintes provas
- PODC: Processo OrganizacionalProcesso Administrativo: PlanejamentoPlanejamento Estratégico, Tático e Operacional
Que características são do planejamento estratégico?
Provas
Questão presente nas seguintes provas
Cadernos
Caderno Container