Foram encontradas 40 questões.
Os parafusos são destaque dentro dos elementos de fixação. Para sua correta aplicação, é imprescindível o conhecimento sobre as formas de perfil de rosca e suas aplicações.
Qual alternativa corresponde à aplicação correta de uma rosca?
Provas
Questão presente nas seguintes provas
A programação de um Comando Numérico Computadorizado (CNC) através do sistema de CAD/CAM apresenta vantagens:
I. O programa pode ser simulado de forma off-line no sistema de CAD/CAM.
II. O tempo e o custo da operação podem ser determinados pelo sistema de CAD/CAM.
III. A programação CNC através do sistema CAD/CAM, é específica para usinagem em máquina com 3 eixos.
IV. O tempo de modelamento tridimensional de um produto é reduzido utilizando um sistema CAD/CAM.
V. O sistema de CAD/CAM pode selecionar a ferramenta mais apropriada para uma operação de forma automática.
Estão corretas apenas as afirmativas
Provas
Questão presente nas seguintes provas

Um elemento de máquina está fixo por uma extremidade e recebe uma força de tração de 100KN na extremidade oposta, conforme figura acima. O Material do elemento de máquina é alumínio, com Módulo de Elasticidade (E) de 70GPa. A deformação específica normal total do elemento de máquina é de
Provas
Questão presente nas seguintes provas
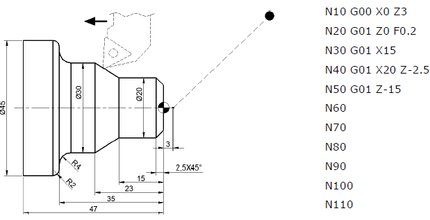
A peça da figura será usinada em um processo de torneamento utilizando um torno CNC. O programa que define o perfil da peça é

Qual é a resposta correta que completa o programa CNC correspondente ao perfil da peça da figura?
Provas
Questão presente nas seguintes provas
Os pós-processadores são módulos dos softwares CAD/CAM responsáveis por gerar a linguagem de programação para uma máquina específica. Sendo assim, é correto afirmar que
Provas
Questão presente nas seguintes provas
A simbologia que representa a indicação do estado de superfície em desenhos técnicos está estabelecida pela NBR 8404 da ABNT.

De acordo com esta norma, qual é a alternativa correta que descreve a aplicação de cada símbolo da figura em sua ordem de apresentação numérica?
Provas
Questão presente nas seguintes provas
O tratamento térmico que tem, como objetivos principais, remover tensões (devidas aos processos de fundição e conformação mecânicas, a quente e a frio), diminuir a dureza, melhorar a ductibilidade, ajustar o tamanho de grão e eliminar os efeitos de tratamentos térmicos anteriores é chamado
Provas
Questão presente nas seguintes provas

Qual é o comprimento de uma correia aberta para ligar duas polias de diâmetros diferentes (⌀130 cm e ⌀50 cm) e com distância entre eixos de 80 cm?
Provas
Questão presente nas seguintes provas
Os mancais de deslizamento podem ser lubrificados com óleo ou com graxa.
Quais fatores são considerados na escolha do lubrificante para mancais de deslizamento?
Provas
Questão presente nas seguintes provas
A dimensão 92,075mm convertida em polegadas corresponde a
Provas
Questão presente nas seguintes provas
Cadernos
Caderno Container