Foram encontradas 40 questões.
Qual opção caracteriza um dos objetivos do tratamento térmico?
Provas
A análise de danos e defeito de peças realizada pela manutenção mecânica tem duas finalidades:
1ª - apurar e investigar a razão da falha para que sejam tomadas medidas para eliminar a repetição.
2ª - alertar o usuário sobre o que poderá ocorrer se a máquina for usada ou conservada inadequadamente.
Qual opção informa corretamente a origem dos danos em máquinas e equipamentos?
Provas
A Norma ISO 1219 padroniza as válvulas para facilitar a montagem dos circuitos e a instalação dos componentes. Desse modo, observe a imagem e, em seguida, leia a sequência de números a fim de relacioná-los às letras da imagem.

Referência bibliográfica: Introdução à Pneumática – P111 – Festo Didactic. Qual sequência apresenta a relação correta?
Provas
Observe a figura a seguir, ela representa a bainha e o tambor de um micrômetro medida indicada pela letra D é:

Referência bibliográfica: Telecurso 2000 Metrologia: Micrômetro, sistema métrico, leitura.
Provas
Qual é a opção em que a estrutura e a composição química influenciam em um aço-carbono:
Provas
O conjunto de irregularidades, isto é, pequenas saliências e reentrâncias que caracterizam uma superfície é chamado de:
Provas
Observe a figura a seguir. Ela representa o cursor de um paquímetro. Qual é a leitura correta?

Referência bibliográfica: Telecurso 2000 Metrologia ; Paquímetro sistema métrico.
Provas
Uma porca fixa e um parafuso móvel que, se der uma volta completa, provocará um descolamento igual ao seu passo. Desse modo, dividindo-se a cabeça do parafuso, pode-se avaliar frações menores que uma volta e, com isso, medir comprimentos menores do que o passo do parafuso. Esta descrição é do princípio de funcionamento do:
Referência bibliográfica: Telecurso 2000 Metrologia: Micrômetro, princípio de funcionamento.
Provas
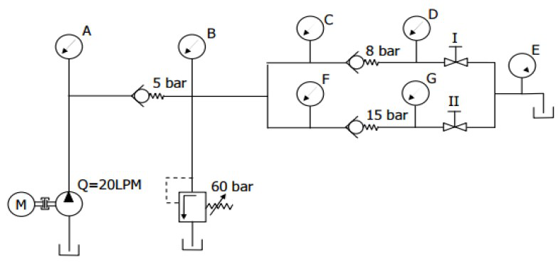
Observe a figura abaixo, que representa um circuito hidráulico em paralelo.

Referência bibliográfica: Manual de Hidráulica Industrial – Vickers.
A opção correta para as pressões nos manômetros, considerando os registros I e II abertos é:
Provas
A figura ilustra as vistas de frente e de cima de uma peça.

Referência bibliográfica: MANFE, G.; POZZA, R.; SCARATO, G.; Perspectivas e vistas.
A vista lateral esquerda dessa peça está representada em:
Provas
Caderno Container