Foram encontradas 50 questões.
Rolamentos são elementos de máquina que podem ser submetidos a esforços radiais, esforços axiais ou esforços combinados. Com relação aos rolamentos, um esforço radial corresponde a:
Provas
Um motor, para que seja funcional, necessita de meios para transmitir sua potência a outros mecanismos. Assinale a opção em que todos os dispositivos relacionados correspondem a elementos de transmissão de movimento:
Provas
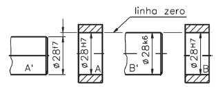
Analisando a figura abaixo, podemos concluir que:

Provas
Sobre o vocabulário da metrologia, qual das afirmativas abaixo está INCORRETA?
Provas
As técnicas de magnetização no ensaio de partículas magnéticas são:
Provas
Analisando as afirmativas sobre a técnica preditiva de radiografia industrial:
I) O material a ser ensaiado é posicionado entre uma fonte emissora de radiação e um filme. Uma parte dos raios emitidos é absorvida pelo material e a outra parte irá atravessá-lo, sensibilizando o filme e produzindo nele uma imagem do material ensaiado. Após a revelação, temos uma chapa radiográfica para ser analisada e interpretada.
II) Os raios X são gerados através de elementos chamados de isótopos, que emitem, espontaneamente, do núcleo partículas e radiações eletromagnéticas.
III) Os raios gama são gerados ao se acelerar, por meio de uma fonte externa de energia, os elétrons de um cátodo. Esses elétrons saem em alta velocidade em direção ao ânodo. Ao colidirem com o ânodo, esses elétrons penetram na eletrosfera do metal do ânodo, causando sua instabilidade, com grande liberação de calor e de ondas eletromagnéticas.
IV) Depois que o filme é exposto à radiação, os grãos dos sais de prata reagem quimicamente em contato com o revelador, transformando-se em prata metálica enegrecida.
É essa prata escurecida que forma a imagem na chapa radiográfica. Qual(is) está(ão) CORRETA(S)?
Provas
Sobre a técnica de ultrassom NÃO podemos afirmar:
Provas
Líquido penetrante é uma técnica utilizada na manutenção preditiva para análise estrutural de peças que compõem as máquinas e equipamentos. Sobre essa técnica podemos afirmar que:
Provas
Para ser executada, a manutenção preditiva exige a utilização de aparelhos adequados, capazes de registrar falhas, tais como rolamentos deteriorados, engrenagens defeituosas, acoplamentos desalinhados e rotores desbalanceados. Esses defeitos podem ser detectados por:
Provas
São fatores implementadores do processo de qualidade na manutenção, EXCETO?
Provas
Caderno Container