Foram encontradas 120 questões.
O circuito digital da Figura 12 abaixo utiliza flip-flops do tipo JK, sensíveis à borda de subida do clock. As estradas J e K de ambos os flip-flops foram fixadas em nível lógico alto, conforme mostrado na figura.

O flip-flop 1 está sendo alimentado por um sinal de clock, denominado Clock 1, o qual possui frequência de 1kHz. Os demais sinais de clock, produzidos pelo circuito, chamados Clock 2, Clock 3 e Clock 4 possuem, respectivamente, frequências iguais a
Provas
Três diferentes sistemas digitais do tipo Combinacional, A, B e C são representados na Figura 11 abaixo, sendo o sistema A representado pela sua Tabela Verdade, o Sistema B, pelo seu Diagrama de Blocos ou Circuito Lógico, e o Sistema C, pela sua Equação Lógica ou Booleana.

Diferentes sistemas digitais do tipo combinacional são ditos equivalentes se e somente se os valores de suas respectivas saídas forem iguais para cada uma das possíveis combinações de suas variáveis de entrada.
Considerando-se tal conceito de equivalência, é correto afirmar, em relação aos três sistemas combinacionais A, B e C representados na figura, que
Provas

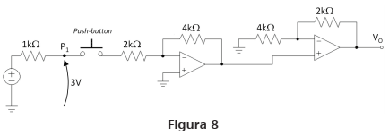
O circuito mostrado na Figura 8 acima utiliza amplificadores operacionais com características ideais e resistores passivos. Na entrada deste circuito, foi conectada uma fonte de tensão CC de valor desconhecido.
Verificou-se que na condição de operação com Push-button aberto, o potêncial elétrico do ponto P1 indicado, em relação ao terra, é igual a 3V, conforme indicado no diagrama do circuito.
Sabendo-se que, na condição de operação com Push-button fechado, os amplificadores operacionais operam na região linear, pode-se afirmar que nesta condição de funcionamento a tensão de saída do circuito (Vo) é igual a
Provas
Um determinado Controlador Lógico Programável (CLP) utiliza as ligações externas mostradas na Figura 6. No diagrama mostrado E0, E1, ..., E7, são entradas físicas deste CLP, enquanto que S20, S21, ..., S27 são saídas físicas do mesmo. Este CLP está executando o programa mostrado na Figura 7.

Considere as seguintes afirmações acerca do sistema representado pelas figuras 6 e 7:
I. A lâmpada L1 pode ser usada para indicar se o contator K1 está ligado. Para que esta função indicadora da lâmpada esteja funcionando, é necessário deixar aberto o dispositivo conectado à entrada E4.
II. Para que o contator K1 seja desligado, é necessário pressionar, simultaneamente, os dispositivos conectados às entradas E1 e E2;
III. O contator K1 só pode ser ligado se os dispositivos conectados às entradas E0 e E2 forem pressionados simultaneamente;
IV. Se o dispositivo conectado à entrada E3 estiver fechado, o sistema de retenção ou selo do contator K1 será desativado.
V. O teste da lâmpada L1 pode ser feito bastando-se para isso abrir o dispositivo conectado à entrada E4.
Está correto apenas o que se afirma em
Provas
Um determinado Controlador Lógico Programável (CLP) utiliza as ligações externas mostradas na Figura 6. No diagrama mostrado E0, E1, ..., E7, são entradas físicas deste CLP, enquanto que S20, S21, ..., S27 são saídas físicas do mesmo. Este CLP está executando o programa mostrado na Figura 7.

Provas
Considerando-se os vários tipos de TIRISTORES existentes, associe corretamente os tipos listados abaixo a suas respectivas características.
Tiristor
(1) DIAC
(2) GTO
(3) IGCT
(4) SCR
(5) TRIAC
Características
( ) Condução em um único sentido; elevada capacidade de bloqueio de tensões diretas e reversas; controle de disparo pelo Gate;
( ) Condução de corrente nos dois sentidos; elevada capacidade de bloqueio de tensões diretas e reversas; controle de disparo pelo Gate;
( ) Condução em um único sentido; elevada capacidade de bloqueio de tensões diretas e reversas; controle de disparo e bloqueio pelo Gate;
( ) Condução de corrente nos dois sentidos; baixa capacidade de bloqueio de tensões diretas e reversas; controle de disparo por tensão direta e reversa.
A sequência correta dessa associação é
Provas
O gráfico da Figura 9 abaixo representa a reta de carga e o ponto de operação quiescente (POQ) do circuito de polarização mostrado na Figura 10. O transistor usado possui hFE=100 e VBE=0,7V.

A partir destas informações, os valores dos dois resistores do circuito são
Provas
Uma fonte de tensão senoidal trifásica constituída pelas tensões VA, VB e VC, mostradas no gráfico da Figura 4 abaixo, conectadas em estrela, alimenta uma carga trifásica resistiva e equilibrada, também conectada em estrela, na qual RA=RB=RC=10Ω. Num dado momento, a resistência da fase A (RA) foi desconectada, deixando o circuito, conforme mostrado no diagrama da Figura 5.

O valor eficaz da corrente iB, mostrada no diagrama, passou a ser de, aproximadamente,
Provas
O circuito elétrico abaixo possui os seguintes parâmetros:
VE = 120V, senoidal ; L=8mH; C=2mF; R=8Ω
O gráfico da Figura 3 abaixo apresenta o módulo da corrente i no circuito da Figura 2, em ampéres, em função da frequência da fonte de tensão senoidal VE . O eixo horizontal do gráfico é dado em radianos/s, com escala logarítmica na base 2.

Em relação a esse gráfico, as coordenadas A e B nele indicadas valem
Provas
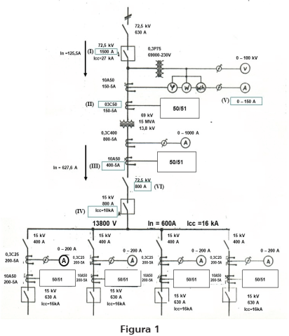
A Figura 1 acima representa um sistema elétrico de potência, através do seu diagrama unifilar, onde se encontram indicadas as grandezas inerentes ao sistema.
Dentre essas grandezas, 6 (seis) estão assinaladas e numeradas de (I) a (VI).

Considere que os valores indicados na barra de 13.800 V estejam corretos.
Está INCORRETO apenas o que se afirma em
Provas
Caderno Container