Foram encontradas 50 questões.
Para que não haja problemas no transporte de líquidos ou gases através de tubulações, deve-se elaborar um projeto de tubulação industrial, que contemple o perfeito dimensionamento dos tubos, em todo o contexto de utilização. A respeito do dimensionamento de tubulações industriais é correto afirmar que:
Provas
Questão presente nas seguintes provas
Com relação aos métodos de investigação empregados na manutenção preditiva, considere as descrições a seguir:
I. Permite a detecção de fissuras, trincas e bolhas em peças, sendo extremamente importante na análise de uniões soldadas.
II. É realizada através de ensaios laboratoriais no quais tipicamente se empregam reagentes e instrumentos como viscosímetros, microscópios e analisadores de espectro.
III. Permite controlar o grau de deteriorização das máquinas e equipamentos e costuma empregar equipamentos como endoscópios e estroboscópios além de técnicas como a holografia.
IV. Permite a detecção antecipada de falhas devido à engrenagens defeituosas, rotores desbalanceados, eixos deformados e lubrificação deficiente;
As descrições em I, II, III e IV correspondem respectivamente a:
Provas
Questão presente nas seguintes provas
A NBR 5410 define três esquemas de aterramento básicos. As proposições seguintes tratam sobre as características deles. Marque a alternativa CORRETA:
Provas
Questão presente nas seguintes provas
Para haver o bom funcionamento de uma instalação predial, deve-se dividir a instalação em tantos circuitos quanto necessário. A norma NBR 5410 estabelece alguns critérios para essa divisão, dentre as alternativas seguintes, marque a alternativa CORRETA.
Provas
Questão presente nas seguintes provas
Um motor de indução trifásico, 60 Hz, 6 pólos, consome 62 kW a 1080 rpm. A perda no cobre do estator é 0,8 kW, a perda no núcleo do estator é 1,2 kW, e a perda mecânica rotacional é 2 kW. Analise as proposições seguintes e marque a alternativa CORRETA.
Provas
Questão presente nas seguintes provas

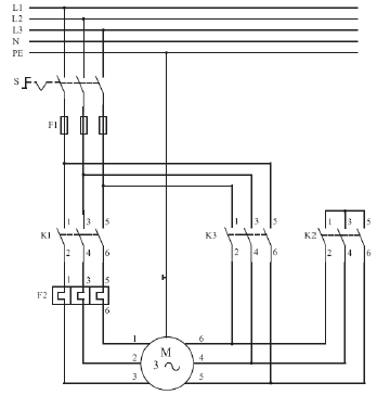
Figura 4 - Circuito de força da ligação estrela-triângulo
A partida Estrela-triângulo é um tipo de acionamento que proporciona a redução da corrente de partida de um motor elétrico, o princípio básico é modificar o esquema de ligação das bobinas do motor, de estrela para triângulo num instante pré- determinado. Na Figura 4 é apresentado um diagrama de força deste tipo de acionamento, baseando-se nele marque a alternativa CORRETA.
Provas
Questão presente nas seguintes provas
São componentes encontrados nos processadores, EXCETO:
Provas
Questão presente nas seguintes provas
Para selecionar um motor para uma dada aplicação, se faz necessário conhecer algumas informações pertinentes, marque dentre as proposições seguintes a alternativa que for CORRETA.
Provas
Questão presente nas seguintes provas
Em uma fábrica de calçados, a esteira de alimentação de insumos é acionada pelo eixo de saída de um redutor mecânico constituído por engrenagens cilíndricas de dentes helicoidais cuja relação de transmissão é 14:1. Sabendo-se que o eixo de entrada desse redutor gira a 350 rpm, o eixo de saída que aciona a esteira deverá girar a:
Provas
Questão presente nas seguintes provas
CARNE E OSSO
Eu quero sim,
Eu quero coisas novas,
Mas o que eu procuro mesmo são mais vidas...
Eu grito sim,
Mas grito meu lirismo
E o meu grito vai sanar minhas feridas...
Eu quero coisas novas,
Mas o que eu procuro mesmo são mais vidas...
Eu grito sim,
Mas grito meu lirismo
E o meu grito vai sanar minhas feridas...
E a música, e a mística
Aplicam sangue novo no meu ser,
Calam minha dor...
E o lúcido, e o válido, e o sólido
Vão matar você que evita o seu amor
Aplicam sangue novo no meu ser,
Calam minha dor...
E o lúcido, e o válido, e o sólido
Vão matar você que evita o seu amor
Por isso eu vou
Trazer você comigo,
Programar o amor em seus computadores...
Vou mais além:
Eu morro, mas consigo
Germinar a minha flor em seus rancores
Trazer você comigo,
Programar o amor em seus computadores...
Vou mais além:
Eu morro, mas consigo
Germinar a minha flor em seus rancores
Nem dúvidas, nem dívidas
Jamais vão destruir a minha flor dentro de você...
Que cérebro, que máquina
Conseguem fazer mais que um grande amor dentro de você?
Jamais vão destruir a minha flor dentro de você...
Que cérebro, que máquina
Conseguem fazer mais que um grande amor dentro de você?
Saiba quem agride a minha lira
Quanto mais ferida, mais diz o que sente
Quanto mais ferida, mais diz o que sente
Ainda vou ouvir você dizer pra mim: eu amo sim!
Sou carne, sou osso, sou gente!
Sou carne, sou osso, sou gente!
A oração “que evita o seu amor” (verso 11) faz parte de:
Provas
Questão presente nas seguintes provas
Cadernos
Caderno Container