Foram encontradas 50 questões.
Um técnico deseja medir a tensão de uma bateria, no entanto ele possui apenas um amperímetro “A” e uma resistência “R”:
I Para medir a tensão da bateria, o técnico deve colocar o amperímetro “A”, a resistência “R” e a bateria em série.
II Para medir a tensão da bateria, o técnico deve colocar o amperímetro “A” , a resistência “R” e a bateria em paralelo.
III Desconsiderando a resistência do amperímetro em uma condição ideal, a tensão na bateria é igual ao valor lido no amperímetro convertido em Volts para qualquer resistência “R”.
IV A tensão na bateria é aproximadamente o valor lido no amperímetro multiplicado pelo valor da resistência, considerando que a resistência interna do instrumento é irrelevante.
As alternativas corretas são:
Provas
Questão presente nas seguintes provas
AMOR (Adélia Prado)
1. A formosura do teu rosto obriga-me
2. e não ouso em tua presença
3. ou à tua simples lembrança
4. recusar-me ao esmero de permanecer contemplável.
5. Quisera olhar fixamente a tua cara,
6. como fazem comigo soldados e choferes de ônibus.
7. Mas não tenho coragem,
8. Olho só tua mão,
9. a unha polida olho, olho, olho e é quanto basta
10. pra alimentar fogo, mel e veneno deste amor incansável
11. que tudo rói e banha e torna apetecível:
12. cadeiras, desembocaduras de esgotos,
13. ideia de morte, gripe, vestido, sapatos,
14. aquela tarde de sábado,
15. esta que morre agora antes da mesa pacífica:
16. ovos cozidos, tomates,
17. fome dos ângulos duros de tua cara de estátua.
18. Recolho tamancos, flauta, molho de flores, resinas,
19. rispidez de teu lábio que suporto com dor,
20. e mais retábulos, faca, tudo serve e é estilete,
21. lâmina encostada em teu peito. Fala.
22. Fala sem orgulho ou medo
23. que à força de pensar em mim sonhou comigo
24. e passou o dia esquisito,
25. o coração em sobressaltos à campainha da porta,
26. disposto à benignidade, ao ridículo, à doçura. Fala.
27. Nem é preciso que amor seja a palavra.
28. "Penso em você" – me diz e estancarei os féretros,
29. tão grande é a minha paixão.
2. e não ouso em tua presença
3. ou à tua simples lembrança
4. recusar-me ao esmero de permanecer contemplável.
5. Quisera olhar fixamente a tua cara,
6. como fazem comigo soldados e choferes de ônibus.
7. Mas não tenho coragem,
8. Olho só tua mão,
9. a unha polida olho, olho, olho e é quanto basta
10. pra alimentar fogo, mel e veneno deste amor incansável
11. que tudo rói e banha e torna apetecível:
12. cadeiras, desembocaduras de esgotos,
13. ideia de morte, gripe, vestido, sapatos,
14. aquela tarde de sábado,
15. esta que morre agora antes da mesa pacífica:
16. ovos cozidos, tomates,
17. fome dos ângulos duros de tua cara de estátua.
18. Recolho tamancos, flauta, molho de flores, resinas,
19. rispidez de teu lábio que suporto com dor,
20. e mais retábulos, faca, tudo serve e é estilete,
21. lâmina encostada em teu peito. Fala.
22. Fala sem orgulho ou medo
23. que à força de pensar em mim sonhou comigo
24. e passou o dia esquisito,
25. o coração em sobressaltos à campainha da porta,
26. disposto à benignidade, ao ridículo, à doçura. Fala.
27. Nem é preciso que amor seja a palavra.
28. "Penso em você" – me diz e estancarei os féretros,
29. tão grande é a minha paixão.
Pelo entendimento do texto, percebe-se que o eu lírico é uma mulher que se dirige ao amado
Provas
Questão presente nas seguintes provas
A principal proteção usada em instalações elétricas de baixa tensão é odisjuntor termomagnético. Sobre esse dispositivo:
I Elementos de proteção contra sobrecorrentes.
II Tem essa definição por possuir um elemento térmico de proteção contra sobrecorrentes e um elemento magnético contra sobretensões.
III O elemento térmico de um disjuntor tem função de proteção contra correntes de sobrecarga.
IV O elemento magnético tem função de proteção contra correntes de curto-circuito.
Estão corretos os itens:
Provas
Questão presente nas seguintes provas
O desenho abaixo esquematiza um dos métodos utilizados para medir potência de uma carga trifásica.

Esse método pode ser utilizado para medir:
Provas
Questão presente nas seguintes provas
Dissertando sobre processo administrativo disciplinar, Meirelles (2009) assevera que
“ A Administração Pública, para registro de seus atos, controle da conduta de seus agentes e solução de controvérsias dos administrados, utiliza-se de diversificados procedimentos, que recebem a denominação comum de processo administrativo [disciplinar].” (MEIRELLES, Hely Lopes. Direito administrativo brasileiro. 35. ed. São Paulo: Malheiros, 2009, p. 690, apud LESSA, Sebastião José. Do processo administrativo disciplinar e da sindicância. 5. ed. revista e atualizada. Belo Horizonte: Editora Fórum, 2011, p. 45).
A partir da leitura do texto acima e tomando como base os dispositivos da Lei 8.112/90, assinale a alternativa correta sobre Processo Administrativo Disciplinar (PAD):
Provas
Questão presente nas seguintes provas
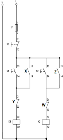
O circuito de comando abaixo é utilizado na partida com reversão de um trifásico de indução do tipo gaiola de esquilo.
Analisando o circuito, os contatos X,Y,Z e W são contatos auxiliares de contatores dos contatores de potência K1 e K2. Assim, pode-se afirmar que a função e o contator a que pertencem os contatos X e Y são, respectivamente:

| X | Y | ||
| Função | Contador | Função | Contador |
Provas
Questão presente nas seguintes provas
AMOR (Adélia Prado)
1. A formosura do teu rosto obriga-me
2. e não ouso em tua presença
3. ou à tua simples lembrança
4. recusar-me ao esmero de permanecer contemplável.
5. Quisera olhar fixamente a tua cara,
6. como fazem comigo soldados e choferes de ônibus.
7. Mas não tenho coragem,
8. Olho só tua mão,
9. a unha polida olho, olho, olho e é quanto basta
10. pra alimentar fogo, mel e veneno deste amor incansável
11. que tudo rói e banha e torna apetecível:
12. cadeiras, desembocaduras de esgotos,
13. ideia de morte, gripe, vestido, sapatos,
14. aquela tarde de sábado,
15. esta que morre agora antes da mesa pacífica:
16. ovos cozidos, tomates,
17. fome dos ângulos duros de tua cara de estátua.
18. Recolho tamancos, flauta, molho de flores, resinas,
19. rispidez de teu lábio que suporto com dor,
20. e mais retábulos, faca, tudo serve e é estilete,
21. lâmina encostada em teu peito. Fala.
22. Fala sem orgulho ou medo
23. que à força de pensar em mim sonhou comigo
24. e passou o dia esquisito,
25. o coração em sobressaltos à campainha da porta,
26. disposto à benignidade, ao ridículo, à doçura. Fala.
27. Nem é preciso que amor seja a palavra.
28. "Penso em você" – me diz e estancarei os féretros,
29. tão grande é a minha paixão.
2. e não ouso em tua presença
3. ou à tua simples lembrança
4. recusar-me ao esmero de permanecer contemplável.
5. Quisera olhar fixamente a tua cara,
6. como fazem comigo soldados e choferes de ônibus.
7. Mas não tenho coragem,
8. Olho só tua mão,
9. a unha polida olho, olho, olho e é quanto basta
10. pra alimentar fogo, mel e veneno deste amor incansável
11. que tudo rói e banha e torna apetecível:
12. cadeiras, desembocaduras de esgotos,
13. ideia de morte, gripe, vestido, sapatos,
14. aquela tarde de sábado,
15. esta que morre agora antes da mesa pacífica:
16. ovos cozidos, tomates,
17. fome dos ângulos duros de tua cara de estátua.
18. Recolho tamancos, flauta, molho de flores, resinas,
19. rispidez de teu lábio que suporto com dor,
20. e mais retábulos, faca, tudo serve e é estilete,
21. lâmina encostada em teu peito. Fala.
22. Fala sem orgulho ou medo
23. que à força de pensar em mim sonhou comigo
24. e passou o dia esquisito,
25. o coração em sobressaltos à campainha da porta,
26. disposto à benignidade, ao ridículo, à doçura. Fala.
27. Nem é preciso que amor seja a palavra.
28. "Penso em você" – me diz e estancarei os féretros,
29. tão grande é a minha paixão.
A palavra “rói” é acentuada pela:
Provas
Questão presente nas seguintes provas
A análise de vibração em motores elétricos é definida como uma manutenção:
Provas
Questão presente nas seguintes provas
O Método Wenner é utilizado para medições elétricas a fim de determinar que tipo de grandeza elétrica?
Provas
Questão presente nas seguintes provas
A medida do campo magnético no interior de um material é definida como:
Provas
Questão presente nas seguintes provas
Cadernos
Caderno Container