Foram encontradas 60 questões.
O mapa de Karnaugh a seguir foi construído a partir de uma tabela-verdade com 3 entradas: A, B e C e uma saída S.

Elaborado pelo(a) autor(a).
Uma expressão lógica para a saída S, a partir do mapa mostrado, é
Provas
No Sistema Internacional de Unidades (SI), considere a unidade de medida que corresponde à expressão \( k \)g. \( m \)2. \( s \)−2, formada a partir das unidades de base do SI. Qual é a grandeza elétrica associada a essa unidade de medida?
Provas
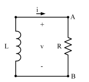
Considere o circuito da figura a seguir.

Elaborado pelo(a) autor(a).
Qual é a tensão de saída vs sabendo que a tensão de entrada é vs = 140cos100t?
Provas
- Medidas ElétricasTransformadores para instrumentos, Transformador de potencial e Transformador de corrente
Considere uma bobina com 10 espiras, através da qual passa um fluxo magnético ∅ = 0,2 sen(100\( t \)) \( W \)b. Nessas condições, o valor da tensão eficaz induzida nos terminais da bobina é, aproximadamente,
Provas
Considere a figura a seguir.

Elaborado pelo(a) autor(a)
As expressões para tensão e corrente são
v = 200\( e \)−10\( t \) ,\( t \) ≥ 0+ e i = 5\( e \)−10\( t \) ,\( t \)\( t \) ≥ 0.
Para a resposta natural deste circuito, o valor da indutância L é
Provas
No circuito elétrico mostrado a seguir, todos os componentes são ideais.

Elaborado pelo(a) autor(a).
Nesse circuito, a corrente elétrica através do resistor de 10 kΩ é de
Provas
O equipamento utilizado para detectar falhas de isolamento, ou seja, medir resistência de isolação é o
Provas
Suponha um equipamento elétrico com sensores que permitem o monitoramento e avaliação do desempenho ao longo do tempo. O tipo de manutenção que utiliza essas informações para o planejamento da intervenção no equipamento, antes de uma parada por defeito, é denominada de manutenção
Provas
No item que trata sobre segurança em instalações elétricas desenergizadas, a Norma Regulamentadora 10 (NR-10) estabelece que somente serão consideradas desenergizadas as instalações elétricas liberadas para trabalho, mediante os procedimentos apropriados, quando obedecida a uma sequência estabelecida. Conforme a Norma, qual é a sequência dos 4 (quatro) primeiros procedimentos?
Provas
A Norma Regulamentadora 33 (NR-33) tem como objetivo estabelecer os requisitos para a caracterização dos espaços confinados, os critérios para o gerenciamento de riscos ocupacionais em espaços confinados e as medidas de prevenção, de forma a garantir a segurança e a saúde dos trabalhadores que interagem direta ou indiretamente com estes espaços. Nesse contexto, o acesso a um espaço confinado exige uma permissão de entrada e trabalho (PET), emitida, antes do início das atividades, pelo
Provas
Caderno Container