Foram encontradas 290 questões.
Provas
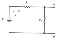
Calcule o equivalente de Thévenin para o circuito nos terminais a e b da Figura abaixo, sendo V = 5 V, R1 = 2 Ω e R2 = 8 Ω.

Provas
Provas
Durante a construção de um edifício comercial de 8 pavimentos, ocorreu um acidente fatal cuja vítima veio a óbito no local dos fatos. A perícia foi acionada, e o perito criminal, com formação em engenharia, foi designado para atender ao local. Por meio do exame do local, o perito concluiu que a vítima era um empregado da construtora e encontrava-se em suspensão quando veio a sofrer o acidente, executando trabalho em altura. Como EPI, a vítima usava luvas, óculos de segurança, capacete e botas, compatíveis com o serviço que prestava até então. Como exames pertinentes ao caso, analise as assertivas abaixo, verificando se orientaram corretamente o perito para o levantamento das condições de segurança do trabalho no local e cumprimento legal, com base nas Normas Regulamentadoras do MT:
I. Medir a distância entre o solo (que foi o ponto de precipitação) e o ponto onde o funcionário exercia seu trabalho, pois somente acima de 2m de altura (desnível) seria exigido que o funcionário estivesse amarrado, obedecendo-se à NR 35.
II. Examinar documentos que conferissem os treinamentos admissional e periódico recebidos pelo funcionário, caso ele exercesse função especial como trabalhos de alto índice de periculosidade.
III. Analisar o Programa de Condições e Meio Ambiente de Trabalho na Indústria da Construção (PCMAT), documento obrigatório para toda e qualquer obra civil.
IV. Analisar as informações sobre os Equipamentos de Proteção Coletiva (EPC), essenciais, independentemente da disposição e uso de EPIs.
V. Como trata-se de acidente fatal, o perito deverá observar e trazer em laudo se medidas obrigatórias foram adotadas, como o isolamento do local diretamente relacionado ao acidente, que deverá manter suas características até sua liberação pela autoridade policial competente e pelo órgão regional do Ministério do Trabalho.
Quais estão corretas?
Provas
É comum ao trabalho do perito criminal deparar-se com locais de desabamento, parcial ou total, de edificações imediatas a obras de escavação, em decorrência de empuxo ou tensões geradas no maciço de terra cuja condição de equilíbrio foi alterada. O perito engenheiro sabe que quando a escavação é , surge a necessidade de se sustentar o talude vertical, cuja altura esteja da admissível sem escoramento. Comumente usam-se pranchas (longarinas), acomodadas a partir de certa altura, a contar do fundo. Essa altura deve ser sempre à metade daquela admissível sem escoramento. O intervalo, em altura, entre os eixos das pranchas tem de ser de 1m a 2m. Quando a tendência a desmoronamento é acentuada ou quando se interveem em solos , faz-se necessário reduzir a distância entre pranchas tornando o escoramento contínuo de alto a baixo da escavação.
Assinale a alternativa que preenche, correta e respectivamente, as lacunas do trecho acima.
Provas
Provas
A entrada de dados dinâmica no AutoCAD permite que os prompts e as dimensões sejam mostrados de forma dinâmica na geometria à medida que se intervém no desenho, seja criando ou editando. Analise as seguintes assertivas sobre o assunto:
I. O AutoCAD interage com o usuário pela linha de comandos e/ou pela interface dinâmica.
II. Todos os comandos podem ser acessados pelos menus e botões da Ribbon e alguns digitados.
III. Os comandos digitados vão para a linha de comandos ou para uma caixa ao lado do cursor na tela desde que a interface dinâmica esteja habilitada.
IV. Ao desenhar linhas, é possível entrar com novos valores de medidas de distâncias diretamente no cursor, os quais são imediatamente exibidos ao desenhar a geometria.
V. Há três tipos de entrada dinâmica: entrada de pontos para coordenadas, entrada de dimensionamento para valores de distância e entrada de dimensionamento para valores de ângulos.
Quais estão corretas?
Provas
Provas
Quanto a sistemas hidráulicos e sanitários, analise as assertivas abaixo, assinalando V, se verdadeiras, ou F, se falsas.
( ) Quanto maior a velocidade da água na tubulação, menor será o diâmetro necessário para determinada vazão e menor a perda de carga.
( ) Sistemas hidráulicos ou sanitários com dimensionamento que implica em grandes perdas de carga tendem a sofrer maior desgaste no tempo, além de serem mais sensíveis aos efeitos dos golpes de aríetes.
( ) O PVC (Policloreto de Vinila) é amplamente utilizado na construção civil, em sistemas hidráulicos principalmente, por apresentar muitas vantagens em relação à tubulação de aço, como leveza, durabilidade, menor perda de carga e coeficiente de dilatação inferior ao do aço.
( ) Os tubos de PVC – Linha Hidráulica – (NBR 5648:2010) trabalham sob pressão de até 75 Kgf/cm2 (75 mca) na temperatura de 20°C. Devido às características do PVC, a resistência dos tubos diminui com o aumento da temperatura, assim o PVC é impróprio para instalações de água quente.
A ordem correta de preenchimento dos parênteses, de cima para baixo, é:
Provas
Provas
Caderno Container