Foram encontradas 80 questões.
Dentre as alternativas descritas abaixo, somente uma delas descreve um conjunto feito, única e exclusivamente, de tipos de antenas. Assinale a alternativa correta:
Provas
Questão presente nas seguintes provas
1407950
Ano: 2008
Disciplina: Direito Constitucional
Banca: GPG Concursos
Orgão: Polícia Científica-SC
Disciplina: Direito Constitucional
Banca: GPG Concursos
Orgão: Polícia Científica-SC
Provas:
Assinale a alternativa correta
Provas
Questão presente nas seguintes provas
1407317
Ano: 2008
Disciplina: Direito Processual Penal
Banca: GPG Concursos
Orgão: Polícia Científica-SC
Disciplina: Direito Processual Penal
Banca: GPG Concursos
Orgão: Polícia Científica-SC
Provas:
É certo afirmar:
I. A autoridade policial ou a judiciária e as partes poderão formular quesitos até o ato da diligência a ser realizada pela perícia.
II. O Interrogatório da vítima realizado no inquérito policial deve obedecer as mesmas regras processuais daquele realizado no processo penal.
III. Os peritos e intérpretes são considerados auxiliares do juízo, podendo serem classificados como sujeitos secundários do processo.
IV. A autoridade policial ao realizar o reconhecimento de pessoas, obrigatoriamente deverá colocar a pessoa, cujo reconhecimento se pretender, ao lado de outras que com ela tiverem qualquer semelhança, convidando-se quem tiver de fazer o reconhecimento a apontá-la.
Analisando as proposições, pode-se afirmar:
Provas
Questão presente nas seguintes provas
Um conversor analógico-digital de 8 bits de aproximações sucessivas é utilizado para aquisição de um sinal analógico qualquer. A entrada de fundo de escala desse conversor é de 5,1 V (ou seja, quando a entrada for 5,1 V produz uma saída digital cujo valor binário é 11111111). Qual será o valor de saída digital em binário para uma entrada de 2,18 V?
Provas
Questão presente nas seguintes provas
Qual a tensão de entrada que gera uma leitura máxima em um conversor A/D de 10 bits que tem uma resolução de 0,005 V?
Provas
Questão presente nas seguintes provas
Um sinal com freqüência de 2 kHz deve ser amostrado com que taxa para que seja corretamente identificado?
Provas
Questão presente nas seguintes provas
Em qualquer sistema operacional é importante a instalação das últimas atualizações de segurança para proteção do sistema. Com relação a esta funcionalidade no sistema operacional Windows XP é INCORRETO afirmar que:
Provas
Questão presente nas seguintes provas
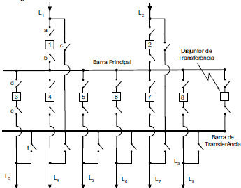
A configuração do arranjo de barras de uma subestação é feita de acordo com o diagrama unifilar apresentado na figura.

Todas as linhas e alimentadores estão operando normalmente com a utilização exclusiva da barra principal. O disjuntor de transferência e suas seccionadoras estão abertos e a barra de transferência está sem tensão. Por inspeção visual em todos os equipamentos da subestação, a equipe de manutenção verificou a necessidade de intervenção no disjuntor 5. Das alternativas indicadas, qual a que representa a melhor sequência de manobras para isolar com segurança o disjuntor 5, sem perda da continuidade de serviço da subestação.
Provas
Questão presente nas seguintes provas
No sistema operacional Windows XP, a extensão de um arquivo indica seu formato, permitindo que Sistema Operacional escolha em qual programa ele será automaticamente aberto. Com relação a este assunto É INCORRETO afirmar que:
Provas
Questão presente nas seguintes provas
Hoje, no Brasil, constatamos que existe uma grande diferença entre o modelo clássico de fazer perícia e aquele preconizado pela Instituição Criminalística Brasileira. Pelo modelo desta, o perito oficial goza igualmente de todas as prerrogativas dadas pelo Direito, exceto de livre-arbítrio, o qual é substituído pelos ditames dela. Nem sempre encontramos essa doutrina escrita, mas ela é transmitida de perito para perito; reúne uma série de normas e princípios que condicionam o perito oficial a agir segundo a visão daquela doutrina e não conforme sua consciência individual.
A Doutrina em si, isolada, é ótimo modelo para ser aplicado em perícias de qualquer área científica, por qualquer indivíduo ou entidade, seja ela pública ou privada; porém observa-se que somente será obedecida se o perito estiver “comprometido”, “obrigado”, em forma da lei, pela Instituição Criminalística Brasileira, que em si é a materialização do Instituto do Corpo de Delito (Corpus Delicti), previsto formalmente no Código de Processo Penal.
As instituições de polícia nos demais países ocidentais trazem um ramo de Polícia Científica, também denominada Polícia Técnica, que desenvolve os trabalhos da criminalística. Nesses países, esse ramo se identifica com os valores abrangidos pela Instituição de Polícia, porque o perito atua quase como uma “testemunha técnica”; é livre para agir conforme sua consciência, em prol dessa Instituição.
(Adapt. de A criminalística brasileira – sua doutrina. In: http://www.igp.sc.gov.br )
Observação: Na questão, quando houver um número indicado entre parênteses, este refere-se à linha, no texto, em que se encontra a palavra ou expressão apresentada.
Assinale a alternativa ERRADA.
Provas
Questão presente nas seguintes provas
Cadernos
Caderno Container