Foram encontradas 80 questões.
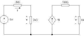
Dado o circuito da figura abaixo, assinale a alternativa que corresponde à potência dissipada pelo resistor R4.

Provas
Questão presente nas seguintes provas
Em qualquer sistema operacional é importante a instalação das últimas atualizações de segurança para proteção do sistema. Com relação a esta funcionalidade no sistema operacional Windows XP é INCORRETO afirmar que:
Provas
Questão presente nas seguintes provas
No sistema operacional Windows XP, a extensão de um arquivo indica seu formato, permitindo que Sistema Operacional escolha em qual programa ele será automaticamente aberto. Com relação a este assunto É INCORRETO afirmar que:
Provas
Questão presente nas seguintes provas
Hoje, no Brasil, constatamos que existe uma grande diferença entre o modelo clássico de fazer perícia e aquele preconizado pela Instituição Criminalística Brasileira. Pelo modelo desta, o perito oficial goza igualmente de todas as prerrogativas dadas pelo Direito, exceto de livre-arbítrio, o qual é substituído pelos ditames dela. Nem sempre encontramos essa doutrina escrita, mas ela é transmitida de perito para perito; reúne uma série de normas e princípios que condicionam o perito oficial a agir segundo a visão daquela doutrina e não conforme sua consciência individual.
A Doutrina em si, isolada, é ótimo modelo para ser aplicado em perícias de qualquer área científica, por qualquer indivíduo ou entidade, seja ela pública ou privada; porém observa-se que somente será obedecida se o perito estiver “comprometido”, “obrigado”, em forma da lei, pela Instituição Criminalística Brasileira, que em si é a materialização do Instituto do Corpo de Delito (Corpus Delicti), previsto formalmente no Código de Processo Penal.
As instituições de polícia nos demais países ocidentais trazem um ramo de Polícia Científica, também denominada Polícia Técnica, que desenvolve os trabalhos da criminalística. Nesses países, esse ramo se identifica com os valores abrangidos pela Instituição de Polícia, porque o perito atua quase como uma “testemunha técnica”; é livre para agir conforme sua consciência, em prol dessa Instituição.
(Adapt. de A criminalística brasileira – sua doutrina. In: http://www.igp.sc.gov.br )
Observação: Na questão, quando houver um número indicado entre parênteses, este refere-se à linha, no texto, em que se encontra a palavra ou expressão apresentada.
Assinale a alternativa ERRADA.
Provas
Questão presente nas seguintes provas
1405429
Ano: 2008
Disciplina: Raciocínio Lógico
Banca: GPG Concursos
Orgão: Polícia Científica-SC
Disciplina: Raciocínio Lógico
Banca: GPG Concursos
Orgão: Polícia Científica-SC
Provas:
Com base nas seguintes afirmações:
I. Todas as pessoas que gostam de ler livros são inteligentes.
II. Há pessoas inteligentes que assistem televisão.
II. Há pessoas inteligentes que assistem televisão.
Pode-se concluir que:
Provas
Questão presente nas seguintes provas
Duas esferas de mesmo raio estão presas uma à outra por um fio curto de massa desprezível. A de cima, de cortiça, flutua sobre uma camada de óleo de densidade 900 kg/m3, com a metade superior exposta ao ar atmosférico. A de baixo, 6 vezes mais densa que a cortiça, está imersa metade no óleo e metade na água. Calcule a densidade da cortiça.

Provas
Questão presente nas seguintes provas
De acordo com a conceituação clássica de cavitação, pode-se dizer:
Provas
Questão presente nas seguintes provas
O ciclo-padrão de Brayton é o ciclo ideal para a turbina a gás simples. Sendo o rendimento do ciclo (!$ \eta !$) definido pela seguinte equação:
!$ \eta = 1 - {\large T_1 \over T_2},\,onde:\,\, {\large P_2 \over P_1}= {\begin {pmatrix} {\large T_2 \over T_1} \end{pmatrix}}^{ \large K \over K -1} !$
Determine o rendimento do ciclo assumindo que a pressão do ar na entrada do compressor é 1 atm e na saída é 5 atm. Assumir “k” de 1,4 e que 50,286 = 1,584.

Provas
Questão presente nas seguintes provas
Hoje, no Brasil, constatamos que existe uma grande diferença entre o modelo clássico de fazer perícia e aquele preconizado pela Instituição Criminalística Brasileira. Pelo modelo desta, o perito oficial goza igualmente de todas as prerrogativas dadas pelo Direito, exceto de livre-arbítrio, o qual é substituído pelos ditames dela. Nem sempre encontramos essa doutrina escrita, mas ela é transmitida de perito para perito; reúne uma série de normas e princípios que condicionam o perito oficial a agir segundo a visão daquela doutrina e não conforme sua consciência individual.
A Doutrina em si, isolada, é ótimo modelo para ser aplicado em perícias de qualquer área científica, por qualquer indivíduo ou entidade, seja ela pública ou privada; porém observa-se que somente será obedecida se o perito estiver “comprometido”, “obrigado”, em forma da lei, pela Instituição Criminalística Brasileira, que em si é a materialização do Instituto do Corpo de Delito (Corpus Delicti), previsto formalmente no Código de Processo Penal.
As instituições de polícia nos demais países ocidentais trazem um ramo de Polícia Científica, também denominada Polícia Técnica, que desenvolve os trabalhos da criminalística. Nesses países, esse ramo se identifica com os valores abrangidos pela Instituição de Polícia, porque o perito atua quase como uma “testemunha técnica”; é livre para agir conforme sua consciência, em prol dessa Instituição.
(Adapt. de A criminalística brasileira – sua doutrina. In: http://www.igp.sc.gov.br )
Observação: Na questão, quando houver um número indicado entre parênteses, este refere-se à linha, no texto, em que se encontra a palavra ou expressão apresentada.
Assinale a alternativa ERRADA, quanto à pontuação.
Provas
Questão presente nas seguintes provas
1401430
Ano: 2008
Disciplina: Atualidades e Conhecimentos Gerais
Banca: GPG Concursos
Orgão: Polícia Científica-SC
Disciplina: Atualidades e Conhecimentos Gerais
Banca: GPG Concursos
Orgão: Polícia Científica-SC
Provas:
Qual dos títulos (obras de ficção) não esteve entre os livros mais vendidos neste ano de 2008:
Provas
Questão presente nas seguintes provas
Cadernos
Caderno Container