Foram encontradas 60 questões.
A figura a seguir apresenta um Diagrama T-S do Ciclo Rankine.

Assinale a opção que indica a técnica que pode ser utilizada para se aumentar o rendimento desse tipo de ciclo.
Provas
Um vapor passa por uma turbina adiabática. Sabendo-se que o vapor se expande para gerar 1000 kW, a vazão do vapor, em kg/s, deve ser igual a:
Dados:
• 1 kW = 1kJ/s (para o vapor:)
• nas condições iniciais, H1 = 4800 kJ/kg;
• nas condições finais, H2 = 2300 kJ/kg.
Provas
Os controladores são utilizados para modificar ou não o valor de uma variável manipulada de um processo. A respeito do tipo de ações realizadas pelos diversos tipos de controladores, assinale a afirmativa correta.
Provas
A linearização de sistemas dinâmicos não lineares é importante, tendo em vista que grande parte das teorias de projeto de sistemas de controle foram desenvolvidas para sistemas lineares. Para a realização da linearização algumas condições devem ser atendidas. A esse respeito, analise as afirmativas a seguir.
I. O vetor de entrada na condição de linearização não pode ser variável no tempo.
II. A condição de linearização deve satisfazer as equações de estado.
III. A condição de linearização deve ser um ponto de equilíbrio do sistema.
Está correto o que se apresenta em
Provas
Considere a função de transferência a seguir.
G(s) = - k0 / T.s + 1
A resposta em frequência dessa função mostra que a defasagem da saída em relação à entrada, para baixas frequências (ω << 1/T) e para altas frequências (ω >> 1/T), são respectivamente iguais a
Provas
A figura a seguir apresenta um diagrama em blocos de um sistema.

A função de transferência desse sistema é apresentada em
Provas
A figura a seguir apresenta um circuito de acionamento direto de um motor:

O acionamento por meio de um PLC, utilizando a programação por meio da diagramação Ladder, é o que se apresenta em
Provas
A respeito dos dispositivos de entrada/saída do CLP, analise as afirmativas a seguir.
I As entradas analógicas de um CLP são geralmente empregadas em processos que exigem um controle mais preciso.
II. Muitas variáveis de entrada que possuem comportamento analógicos são controladas digitalmente.
III. Dada a sua simplicidade, as saídas analógicas são as mais utilizadas.
Está correto o que se apresenta em
Provas
O CLP é um equipamento eletrônico digital, com hardware e software adequados para as aplicações industriais. A figura abaixo apresenta um diagrama de blocos de seu funcionamento:

A respeito do controle e processamento das entradas e saídas, assinale a afirmativa correta.
Provas
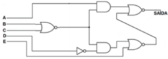
A figura a seguir apresenta um circuito digital com entradas A, B, C, D e E.

Para que a saída seja igual a 1, as entradas A, B, C, D e E devem ser
Provas
Caderno Container