Foram encontradas 40 questões.
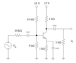
Dado o amplificador abaixo, considere â = 100, VBE = 0.7 V e VT = 25 mV.

As correntes de polarização IB, IC e IE são, respectivamente:
Provas
Circuitos lógicos formados por transistores bipolares, operando com tensão de alimentação de 5V, com margem de ruído aproximada de 0,4V e retardo de propagação típico de 10 ns por porta,são característicos da família lógica:
Provas
Um circuito integrado da família lógica TTL, utilizado para fins comerciais e baseado no transistor Schottky com potência normal, tem o seguinte prefixo:
Provas
No circuito da figura abaixo, considere um amplificador operacional ideal, operando na região linear, e os valores dos resistores dados em Ohms. O circuito implementa a equação:

Provas
No circuito da figura abaixo, considere um amplificador operacional ideal, operando na região linear, e os valores dos resistores dados em Ohms. O circuito implementa a equação:

Provas
No circuito da figura abaixo, considere um amplificador operacional ideal e os valores dos resistores dados em Ohms. O circuito implementa um:

Provas
No circuito da figura abaixo, considere um amplificador operacional ideal, operando na região linear. O circuito implementa um:

Provas
No circuito da figura abaixo, considere um amplificador operacional ideal, operando na região linear. Considere ainda que, a partir de t = 0s, foi aplicada a entrada v1 = A1 cos (w1 t).

No regime permanente, a saída será dada por v2 = A2 cos (w1 t +!$ \phi !$). Nesse caso, o valor de !$ \phi !$ é:
Provas
No circuito da figura abaixo, considere um amplificador operacional ideal, operando na região linear. A entrada é dada por v1 = A cos (wt). Para que o valor da saída v2 seja sempre negativo, deve-se garantir que:

Provas
TEXT 1: Food or Fuel ??
Bioenergy technologies use renewable biomass resources to produce energy related products including electricity, liquid, solid and gaseous fuels, heat, chemicals, and other materials.
The term "biomass" means any organic matter available on a renewable basis, including dedicated energy crops and trees, food crops, agricultural crop wastes and residues, wood wastes and residues, aquatic plants, animal wastes, municipal wastes, and other waste materials.
A common objection to biomass energy production is that it could divert agricultural production away from food crops in a hungry world - even leading to mass starvation in the poor countries. The basic argument is that energy-crop programmes compete with food crops in a number of ways and thus cause food shortages and price increases.
However, this so-called 'food versus fuel' controversy appears to have been exaggerated in many cases. The subject is far more complex than has generally been presented since agricultural and export policy and the politics of food availability are factors of far greater importance.
In poor countries, for example, local production of biofuels from locally grown crops, where appropriate, can cut dependence and cash expenditure on imported fuels, increase community self-reliance, and provide a stimulus for local job creation and growth. It can also cut dependence on fuel wood, which is often scarce and causes immense health problems, such as lung and heart diseases, through indoor air-pollution. And, as we've seen above, growing biofuel crops can encourage food-crop production rather than reducing it.
(adapted from: http://journeytoforever.org/biofuel_food.html)
TEXT 2: Biofuel crops 'will harm the planet'
Plans to promote "green" petrol and diesel made from plant crops will do the planet more harm than good and should be eliminated, a committee of MPs has demanded.
Ministers and the European Union (EU) were accused of being irresponsible in subsidizing fuels made from plants in the absence of international agreements to prevent rising the accelerated destruction of tropical forests.
The Environmental Audit Select Committee warned that growing conventional crops (such as wheat and sugar beet, in Britain) to make fuel would cause a rise in the price of food and make it harder to meet targets on water quality and on the conservation of birds, plants and animals.
Another report by the Royal Society has warned that biofuels were capable of doing more damage to the atmosphere than fossil fuels by encouraging the accelerated destruction of tropical forests and the increase in air pollution. MPs say the EU's plan for the certification of sustainable “green fuels” is not good enough."
(adapted from :http://www.telegraph.co.uk/earth/main.jhtml?xml=/earth/2008/01/20/eabio120.xml)
Glossary: fuel: combustível; matter: matéria; crop: plantação; waste: resíduo; starvation: fome; harm: dano; MPs: Membros do Parlamento
Observe the following sentence from TEXT 2:
“A report by the Royal Society has warned that….”
The use of the present perfect tense in this sentence implies:
Provas
Caderno Container