Foram encontradas 40 questões.
Respondida
Para obter-se, no Windows XP, uma lista que contenha exclusivamente os arquivos de extensão “EXE” presentes na pasta “Arquivos de Programas”, deve-se fazer o seguinte:
Respondida
Considerando-se con@microsoft.co.uk um endereço eletrônico, a opção que identifica corretamente o que representam, respectivamente, as expressões “con”, “microsoft”, “co” e “uk” é:
A
nome da instituição, tipo da instituição, nome de um usuário e país.
B
nome de um usuário, nome da instituição, país e tipo da instituição.
C
nome de um usuário, país, tipo da instituição e nome da instituição.
D
nome da instituição, nome de um usuário, tipo da instituição e país.
E
nome de um usuário, nome da instituição, tipo da instituição e país.
Respondida
No que diz respeito a FTP, pode-se afirmar que:
Respondida
Considere a planilha abaixo confeccionada no Microsoft Excel 2003:
Se digitarmos a expressão:
=SE(MÁXIMO(C1:C3)*E4/B5>=A1;A1/B6+F2;MÍNIMO(G1;A4;D5)),
na célula H7, poderá ocorrer que:
Respondida
No Microsoft Word, caso se queira escrever a expressão x²+4 0, deve-se:
A
teclar “x”; pressionar as teclas “CTRL”, “Shift” e “+” simultaneamente; teclar “2”; pressionar as teclas “CTRL”, “Shift” e “+” simultaneamente; teclar “+”; teclar “4”; clicar no menu “Inserir”, depois em “Símbolo”, selecionar o símbolo “”, clicar em “Inserir”; clicar em “Fechar”; finalmente teclar “0”.
B
teclar “2”; pressionar as teclas “CTRL” e “X” simultaneamente; teclar “+”; teclar “4”; teclar “>”; teclar “=”; finalmente teclar “0”.
C
teclar “x”; pressionar as teclas “CTRL” e “=” simultaneamente; teclar “2”; teclar “+”; teclar “4”; teclar “>”; teclar “=”; finalmente teclar “0”.
D
teclar “x”; pressionar as teclas “SHIFT” e “2” simultaneamente; teclar “+”; teclar “4”; clicar no menu “Inserir”, depois em “Símbolo”, selecionar o símbolo “” e clicar em “Inserir”; finalmente teclar “0”.
E
teclar “x”; pressionar as teclas “CTRL”, “Shift” e “+” simultaneamente; teclar “2”; teclar “+”; teclar “4”; clicar no menu “Inserir”, depois em “Símbolo”, selecionar o símbolo “” e clicar em “Inserir”; clicar em “Fechar”; finalmente teclar “0”.
Respondida
Para o transistor abaixo, considere que â = 100, VBE = 0.7 V e VCEsat = 0.2 V. As tensões de polarização VB , VC e VE são, respectivamente:
Respondida
O diagrama abaixo representa um contador binário tipo:
A
Assíncrono, incrementador / decrementador, módulo 8.
B
Assíncrono, decrementador, módulo 4.
C
Síncrono, incrementador, módulo 8.
D
Assíncrono, incrementador, módulo 8.
E
Síncrono, decrementador, módulo 4.
Respondida
Um circuito combinacional que seleciona uma entrada única de dados para ser encaminhada para uma dentre n possíveis saídas, caracteriza um:
Respondida
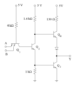
Considere que A e B são sinais digitais, cujo nível lógico baixo é 0 V e o nível lógico alto é 5 V. A função lógica que o circuito a seguir representa é:
Respondida
A tabela abaixo, de mudança de estado para o Flip-flop tipo JK, está incompleta. Para completá-la, devem ser acrescentados às linhas indicadas por (a) e (b) os seguintes valores: