Foram encontradas 70 questões.
A maioria dos programas CAD usa a tela do monitor como uma metáfora da folha de papel na qual os eixos X e Y estão posicionados na horizontal e na vertical, respectivamente. As plantas baixas dos projetos de arquitetura são desenhadas nesse referencial, resultando, portanto, que algumas medidas de piso são lançadas na direção do eixo Y. As alturas — caso sejam elevadas paredes em 3D a partir da planta baixa — resultam na direção do eixo Z, em uma flagrante inversão do sistema cartesiano do mundo real. Acerca dos sistemas de coordenadas no AutoCAD, julgue os itens a seguir.
O WCS (World Coordinate System) é o sistema coordenado padrão do AutoCAD. É o referencial cartesiano inicial que, mesmo havendo um UCS ativo, pode ser acessado a qualquer momento por meio do comando WCS
Provas
A maioria dos programas CAD usa a tela do monitor como uma metáfora da folha de papel na qual os eixos X e Y estão posicionados na horizontal e na vertical, respectivamente. As plantas baixas dos projetos de arquitetura são desenhadas nesse referencial, resultando, portanto, que algumas medidas de piso são lançadas na direção do eixo Y. As alturas — caso sejam elevadas paredes em 3D a partir da planta baixa — resultam na direção do eixo Z, em uma flagrante inversão do sistema cartesiano do mundo real. Acerca dos sistemas de coordenadas no AutoCAD, julgue os itens a seguir.
O comando UCS (User Coordinate System) é usado para mudar de posição o sistema de coordenadas, criando novos planos de construção nos quais as entidades de desenho vão residir.
Provas
Considere que uma empresa de topografia tenha feito um levantamento muito detalhado de uma área para que um arquiteto pudesse aproveitar ao máximo os desníveis do terreno. De posse dos dados planialtimétricos, os desenhistas foram capazes de traçar perfis em muitas e diferentes direções. Cada seqüência de pontos pertencentes a um plano vertical foi lançada no AutoCAD para traçar o perfil. A respeito dessa situação, julgue os itens subseqüentes.
Considere que entre os dados fornecidos para o arquiteto estava a área do terreno. Utilizando o AutoCAD essa área pode ser obtida aplicando-se o comando Area = Poli na poligonal do levantamento planimétrico.
Provas
Considere que uma empresa de topografia tenha feito um levantamento muito detalhado de uma área para que um arquiteto pudesse aproveitar ao máximo os desníveis do terreno. De posse dos dados planialtimétricos, os desenhistas foram capazes de traçar perfis em muitas e diferentes direções. Cada seqüência de pontos pertencentes a um plano vertical foi lançada no AutoCAD para traçar o perfil. A respeito dessa situação, julgue os itens subseqüentes.
Para se obter curvas suaves com o lançamento das seqüências de pontos, é correto o uso do comando Spline. No entanto, depois de aplicado, o comando Spline não permite alterações na precisão da curva.
Provas
O AutoCAD possui muitos comandos auxiliares do desenho. No que se refere a esses comandos e suas aplicações, julgue os itens a seguir.
As entidades de desenho podem ser movidas por meio dos seus pontos de controle. O deslocamento desses pontos pode ser gerado pelo movimento do cursor do mouse ou pela entrada de coordenadas polares na linha de comando.
Provas
O AutoCAD possui muitos comandos auxiliares do desenho. No que se refere a esses comandos e suas aplicações, julgue os itens a seguir.
O reposicionamento de uma janela, como ilustrado na figura abaixo, pode ser obtido a partir do comando Stretch, que permite mover parte de um desenho enquanto se preserva as conexões dessa parte com os demais traçados.

Provas
O AutoCAD possui muitos comandos auxiliares do desenho. No que se refere a esses comandos e suas aplicações, julgue os itens a seguir.
Alguns comandos do AutoCAD exigem que o objeto no qual eles serão aplicados sejam uma polilinha. Para que um polígono, por exemplo, seja uma polilinha, é necessário que seja gerado como tal, não sendo possível uma conversão a partir de linhas comuns.
Provas
O AutoCAD possui muitos comandos auxiliares do desenho. No que se refere a esses comandos e suas aplicações, julgue os itens a seguir.
O comando List, usado em um polígono, relaciona informações tais como área e perímetro do polígono, dimensão linear e coordenadas absolutas das extremidades de cada aresta e o ângulo entre cada par de arestas.
Provas
O AutoCAD possui muitos comandos auxiliares do desenho. No que se refere a esses comandos e suas aplicações, julgue os itens a seguir.
O comando Zoom -> Window permite abrir uma janela de seleção com o auxílio do cursor para ampliar apenas a área abrangida pela janela.
Provas
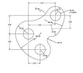
O AutoCAD possui muitos comandos auxiliares do desenho. No que se refere a esses comandos e suas aplicações, julgue os itens a seguir.
O traçado de figuras que combinem arcos e retas em concordância, como ilustrado na figura abaixo, é um desafio no desenho com instrumentos convencionais como régua, esquadro e compasso. No AutoCAD, esse traçado é simplificado pelo uso de comandos como Circle ´-> TTR, complementado com o comando Trim ou pelo uso da opção Osnap -> Tangent em conjunto com o comando Line.

Provas
Caderno Container