Foram encontradas 1.685 questões.

Considerando a figura acima e o fato de que as versões mais recentes do AutoCAD permitem elaborar modelos 3D associados a bancos de dados e de informações utilizados como base para estudo, representação, avaliação e obtenção das vistas ortográficas, julgue os itens que se seguem.
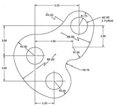
No AutoCAD, pode-se construir o conector da figura como modelo sólido, utilizando-se apenas dois tipos de sólidos primitivos — paralelepípedo e cilindro — combinados em operações booleanas de união e subtração.
Provas

Considerando a figura acima e o fato de que as versões mais recentes do AutoCAD permitem elaborar modelos 3D associados a bancos de dados e de informações utilizados como base para estudo, representação, avaliação e obtenção das vistas ortográficas, julgue os itens que se seguem.
O conector mostrado na figura pode ser construído como modelo sólido utilizando apenas dois tipos de sólidos primitivos — paralelepípedo e cilindro — combinados em operações booleanas de união e subtração.
Provas
Existem hoje no mercado inúmeros programas computacionais — inclusive as versões mais recentes do AutoCAD — que permitem facilmente elaborar modelos 3D associados a bancos de dados e de informações como base para estudo, representação, avaliação e obtenção das vistas ortográficas, em vez do simples desenho 2D de um projeto. Com base no conhecimento desses programas, julgue os itens seguintes.
Existe uma diferença fundamental entre programas chamados CAD e os chamados modeladores tridimensionais ou 3D: grande parte dos programas CAD foi idealizada e construída basicamente como programas de desenho 2D dos objetos (a modelagem 3D sempre foi um acessório que vem se aperfeiçoando pela demanda do mercado) enquanto os modeladores 3D foram concebidos para trabalhar desde o início no espaço tridimensional, com objetos tridimensionais sendo construídos e não desenhados.
Provas
Existem hoje no mercado inúmeros programas computacionais — inclusive as versões mais recentes do AutoCAD — que permitem facilmente elaborar modelos 3D associados a bancos de dados e de informações como base para estudo, representação, avaliação e obtenção das vistas ortográficas, em vez do simples desenho 2D de um projeto. Com base no conhecimento desses programas, julgue os itens seguintes.
Modelos sólidos, ao contrário de modelos de estrutura de arame, permitem obter dados como áreas de superfícies ou massa e volume, interseções entre duas ou mais superfícies, tensões etc., além de permitirem mapeamentos de texturas e acabamentos com realismo fotográfico.
Provas
O AutoCAD possui muitos comandos auxiliares do desenho. No que se refere a esses comandos e suas aplicações, julgue os itens a seguir.
As entidades de desenho podem ser movidas por meio dos seus pontos de controle. O deslocamento desses pontos pode ser gerado pelo movimento do cursor do mouse ou pela entrada de coordenadas polares na linha de comando.
Provas
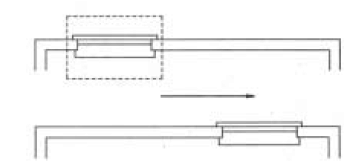
O AutoCAD possui muitos comandos auxiliares do desenho. No que se refere a esses comandos e suas aplicações, julgue os itens a seguir.
O reposicionamento de uma janela, como ilustrado na figura abaixo, pode ser obtido a partir do comando Stretch, que permite mover parte de um desenho enquanto se preserva as conexões dessa parte com os demais traçados.

Provas
O AutoCAD possui muitos comandos auxiliares do desenho. No que se refere a esses comandos e suas aplicações, julgue os itens a seguir.
O comando List, usado em um polígono, relaciona informações tais como área e perímetro do polígono, dimensão linear e coordenadas absolutas das extremidades de cada aresta e o ângulo entre cada par de arestas.
Provas
O AutoCAD possui muitos comandos auxiliares do desenho. No que se refere a esses comandos e suas aplicações, julgue os itens a seguir.
O comando Zoom -> Window permite abrir uma janela de seleção com o auxílio do cursor para ampliar apenas a área abrangida pela janela.
Provas
O AutoCAD possui muitos comandos auxiliares do desenho. No que se refere a esses comandos e suas aplicações, julgue os itens a seguir.
O traçado de figuras que combinem arcos e retas em concordância, como ilustrado na figura abaixo, é um desafio no desenho com instrumentos convencionais como régua, esquadro e compasso. No AutoCAD, esse traçado é simplificado pelo uso de comandos como Circle -> TTR, complementado com o comando Trim ou pelo uso da opção Osnap -> Tangent em conjunto com o comando Line.

Provas
Julgue os itens subseqüentes, acerca do planejamento e acompanhamento de obras.
A impermeabilização das paredes entre as áreas com chuveiros e os ambientes habitados de um determinado edifício pode ser feita com revestimento de azulejo do lado do chuveiro, solução que garante uma proteção completa contra a infiltração de água.
Provas
Caderno Container