Foram encontradas 1.450 questões.

No projeto de uma rede de transporte, foi proposta a
topologia ilustrada na figura acima, em que Epp indica o uso de
enlaces ponto-a-ponto em microondas e FOTS, o uso de sistema
de transmissão por fibra óptica.
Considerando essas informações, julgue os itens subseqüentes,
relativos ao sistema acima esquematizado e à sua implantação a
partir da topologia proposta.
Provas
Questão presente nas seguintes provas
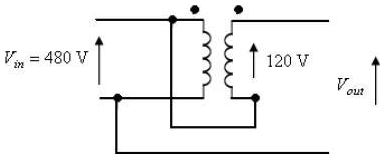
Julgue os itens a seguir, com relação a transformador de tensão
ideal.
Caso a potência nominal do autotransformador ilustrado na figura a seguir seja igual a 25 kVA, a carga máxima que esse transformador poderá alimentar é superior a 100 kVA.ideal.

Provas
Questão presente nas seguintes provas

O desempenho dos sistemas de comunicação é limitado pela
ocorrência de ruído e interferência. No caso de EMI
(electromagnetic interference), a maneira mais eficiente de se
reduzir esse tipo de interferência é eliminando ou reduzindo a
fonte de radiação. Considerando a figura acima, que ilustra
uma linha de dois fios terminada por uma carga, julgue os
próximos itens, com relação a EMI e a maneiras de reduzir a
interferência inserida ou provocada por esses fios em sistemas
de comunicação.
mostradas é sempre zero, e toda corrente circula através da carga, sendo nula a corrente que circula através do terra.Provas
Questão presente nas seguintes provas

A figura acima descreve um sistema de comunicação que interliga,
por meio de tecnologia IP WAN (wide area network), a matriz de
uma empresa, localizada em São Paulo, a duas de suas filiais,
localizadas no Rio de Janeiro e em Curitiba. A partir dessa
descrição, julgue os itens subseqüentes.
Provas
Questão presente nas seguintes provas
Com relação ao sistema WCDMA especificado pelo 3GPP,
julgue os itens.
A tecnologia WCDMA é embasada no múltiplo acesso por divisão de código, em que se obtém espalhamento espectral utilizando-se técnica denominada seqüência direta (DS-CDMA). Para suportar diferentes taxas de transmissão de dados de forma a prover diferentes serviços para os usuários, implementando-se o conceito de bandwidth on demand, essa tecnologia, embasando-se no conceito de orthogonal variable spreading factor (OVSF), é capaz de utilizar fatores de espalhamento variáveis e múltiplos códigos por usuários.julgue os itens.
Provas
Questão presente nas seguintes provas

No circuito ilustrado na figura acima, o amplificador
operacional é ideal, R = 20 k?,
.Com relação a esse circuito, julgue os itens a seguir.
Provas
Questão presente nas seguintes provas

Sistemas via satélite geoestacionário vêm sendo empregados
no estabelecimento de redes de telefonia fixa para interconectar
usuários tanto residenciais quanto empresariais, espalhados em vastas
regiões do globo. Essas redes via satélite permitem conectar usuários
a sistemas de telefonia fixa comutada (STFC), garantindo
flexibilidade e uma relação custo-benefício atraente, principalmente
em países em desenvolvimento ou que possuem grandes áreas a serem
atendidas, como no caso do Brasil. A figura acima ilustra uma rede
que usa tecnologia VSAT (very small aperture terminals) e os seus
principais elementos, que são utilizados no estabelecimento e na
conexão de redes de telefonia fixa via satélite geoestacionário.
Considerando as informações apresentadas e que a rede
VSAT mostrada utilize apenas um transponder de satélite,
julgue os itens seguintes.
Provas
Questão presente nas seguintes provas

A figura acima descreve um sistema de comunicação que interliga,
por meio de tecnologia IP WAN (wide area network), a matriz de
uma empresa, localizada em São Paulo, a duas de suas filiais,
localizadas no Rio de Janeiro e em Curitiba. A partir dessa
descrição, julgue os itens subseqüentes.
Provas
Questão presente nas seguintes provas
Com relação ao sistema WCDMA especificado pelo 3GPP,
julgue os itens.
Sistemas WCDMA são implementados utilizando-se portadoras moduladas com largura de banda de freqüências ajustável em função da taxa de transmissão requisitada, devendo, porém, ser múltipla de 1 MHz: 1 MHz, 2 MHz, 3 MHz, 4 MHz ou 5 MHz, podendo ser expandida até 20 MHz, caso exista a necessidade de interoperabilidade com sistemas WiMAX. Quando a sua banda é de 5 MHz, uma portadora WCDMA permite o tráfego de informações à taxa de 3,84 Mcps em frames de 10 ms.julgue os itens.
Provas
Questão presente nas seguintes provas
Com relação ao sistema WCDMA especificado pelo 3GPP,
julgue os itens.
Em sistemas WCDMA, a capacidade do sistema no tráfego de voz, tanto no modo comutado a circuito quanto no modo comutado a pacotes, para sistemas VoIP, pode ser incrementada com o emprego de técnicas denominadas AMR (adaptive mutirate - speech codec), mesmo isso acarretando um aumento do overhead na camada física.julgue os itens.
Provas
Questão presente nas seguintes provas
Cadernos
Caderno Container