Magna Concursos

Foram encontradas 50 questões.

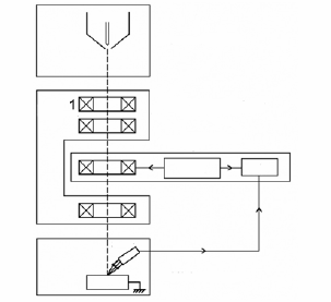
O esquema representa um microscópio eletrônico de varredura (adaptado de:Maliska, AM Microscopia eletrônico de varredura). A estrutura indicada com o número 1 corresponde:

Enunciado 3439872-1

 

Provas

Questão presente nas seguintes provas

Vários tipos de interações podem ser obtidos pela incidência do feixe primário com a amostra. Dentre os elétrons listados abaixo, assinale os elétrons, cuja energia (em torno de 1500eV) são característica do elemento que a emite e do tipo de ligação química.

 

Provas

Questão presente nas seguintes provas
Das etapas abaixo, a que não faz parte da preparação de materiais metálicos para a observação no microscópio eletrônico de varredura é
 

Provas

Questão presente nas seguintes provas

Ao compararmos o EDS (espectômetro de dispersão de energia) e o WDS (espectômetro de cristal), podemos afirmar que

 

Provas

Questão presente nas seguintes provas

Os espectômetros de dispersão de energia são baseados em um detector semicondutor que emite

 

Provas

Questão presente nas seguintes provas

A varredura rápida é útil para a observação preliminar da amostra. Para a otimização da relação sinal/ruído e obtenção de uma imagem de melhor qualidade, deve-se

 

Provas

Questão presente nas seguintes provas

Em um espectômetro de cristal, os raios X emitidos pela amostra incidem

 

Provas

Questão presente nas seguintes provas

Qual a substância é freqüentemente evaporada sobre uma amostra biológica, antes de a mesma ser observada em um microscópio eletrônico de varredura de alto vácuo?

 

Provas

Questão presente nas seguintes provas

Entre os sinais produzidos na interação do feixe com o material, um tipo particularmente importante para estudos analíticos que é gerado quando os elétrons altamente energéticos do feixe interagem com os elétrons das camadas orbitais do átomo, é (são):

 

Provas

Questão presente nas seguintes provas

Quando um material orgânico destina-se à observação em um microscópio eletrônico de varredura de alto vácuo, deve passar pela etapa de secagem pelo ponto crítico. O “ponto crítico” refere-se

 

Provas

Questão presente nas seguintes provas