Foram encontradas 50 questões.
3122708
Ano: 2024
Disciplina: TI - Desenvolvimento de Sistemas
Banca: CESPE / CEBRASPE
Orgão: Itaipu
Disciplina: TI - Desenvolvimento de Sistemas
Banca: CESPE / CEBRASPE
Orgão: Itaipu
Provas:
Assinale a opção que apresenta os três pilares do Scrum que apoiam o conceito de trabalhar iterativamente.
Provas
Questão presente nas seguintes provas
Conforme o PMBOK 7.ª edição, assinale a opção correspondente ao princípio de gerenciamento de projetos que implica satisfazer as expectativas das partes interessadas, cumprir os requisitos do projeto e do produto e garantir que os processos do projeto sejam apropriados e tão eficazes quanto possível.
Provas
Questão presente nas seguintes provas
A respeito das funcionalidades e dos comandos do AutoCad, julgue os seguintes itens.
I O comando EXPLODIR pode ser utilizado para separar linhas que foram inicialmente unidas.
II O comando DESLOCAMENTO é utilizado para criar círculos concêntricos.
III O bloqueio de camadas deixa os elementos vinculados invisíveis.
IV O comando OSNAP permite definir o rastreamento de pontos específicos apenas arrastando-se o cursor, como, por exemplo, centros geométricos e quadrantes.
Assinale a opção correta.
I O comando EXPLODIR pode ser utilizado para separar linhas que foram inicialmente unidas.
II O comando DESLOCAMENTO é utilizado para criar círculos concêntricos.
III O bloqueio de camadas deixa os elementos vinculados invisíveis.
IV O comando OSNAP permite definir o rastreamento de pontos específicos apenas arrastando-se o cursor, como, por exemplo, centros geométricos e quadrantes.
Assinale a opção correta.
Provas
Questão presente nas seguintes provas
Em relação às prescrições definidas na ABNT:NBR 5410 a respeito de condutores de proteção (PE), assinale a opção correta.
Provas
Questão presente nas seguintes provas

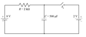
Considerando que, no circuito elétrico acima, a chave Sa está fechada para t < 0 e aberta para t ≥ 0, assinale a opção correta.
Provas
Questão presente nas seguintes provas
- Medidas Elétricas
- Circuitos ElétricosCircuitos CC
- Sistemas Elétricos de PotênciaAnálise de SEPAnálise de Curto-circuitos

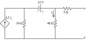
Assinale a opção correta a respeito do circuito acima.
Provas
Questão presente nas seguintes provas

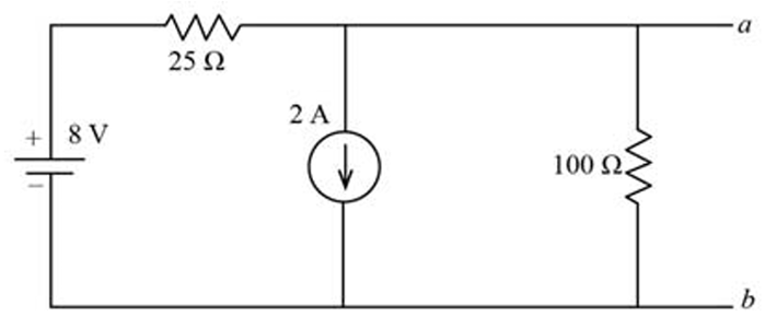
Com base no circuito acima, assinale a opção correta.
Provas
Questão presente nas seguintes provas
Uma tela resistiva sensível ao toque pode ser modelada como duas películas isoladas eletricamente: uma para identificar a coordenada x (película A) e a outra para identificar a coordenada y (película B) onde a tela for tocada. O diagrama I a seguir representa a modelagem de uma tela resistiva; quando a tela é tocada, as duas películas resistivas são pressionadas juntas, criando duas tensões, uma sentida na película A, que determina a coordenada x do ponto tocado, e a outra sentida na película B, que determina a coordenada y do ponto tocado. Se o toque na tela ocorrer em um ponto (A, B), a distância da borda da tela até o ponto será a, na horizontal, e b, na vertical, ambos medidos em pixels, conforme diagrama II a seguir.

Diagrama II
Tendo como referência as informações precedentes, e considerando que a dimensão linear de cada resistor seja igual a p, sendo p igual à largura de 1 pixel, que a resolução da tela seja de 1.920 pixels × 1.080 pixels e que a tensão na tela, entre os pontos x1 e x2 e entre os pontos y1 e y2 seja 5 V, assinale a opção correta.

Diagrama II
Tendo como referência as informações precedentes, e considerando que a dimensão linear de cada resistor seja igual a p, sendo p igual à largura de 1 pixel, que a resolução da tela seja de 1.920 pixels × 1.080 pixels e que a tensão na tela, entre os pontos x1 e x2 e entre os pontos y1 e y2 seja 5 V, assinale a opção correta.
Provas
Questão presente nas seguintes provas
Em uma subestação abaixadora de média tensão alimentada por rede de distribuição aérea,
Provas
Questão presente nas seguintes provas
No acionamento de um motor de indução trifásico, o equipamento denominado soft starter
Provas
Questão presente nas seguintes provas
Cadernos
Caderno Container