Foram encontradas 540 questões.
- EletrotécnicaCircuitos Elétricos em Eletricidade
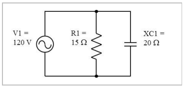
- EletrotécnicaCircuitos de Corrente Contínua e de Corrente Alternada
Com base no circuito abaixo, assinale a alternativa que apresenta, respectivamente, as potências ativa, reativa e aparente, sendo a tensão aplicada igual a 120 V (valor eficaz), a resistência igual a 15 Ω e o módulo da reatância capacitiva igual a 20 Ω.
Provas
- EletrotécnicaCircuitos Elétricos em Eletricidade
- EletrotécnicaCircuitos de Corrente Contínua e de Corrente Alternada
A ilustração a seguir apresenta uma fonte de tensão alternada alimentando um resistor e um indutor. O diagrama fasorial desse circuito é mostrado abaixo. Assinale a alternativa que apresenta o valor do módulo da impedância Z, em ohms (Ω).
Provas
Deseja-se medir a potência elétrica de uma lâmpada incandescente e para isso dispõe-se de um amperímetro e um voltímetro. Com relação à maneira correta de se fazer a ligação dos instrumentos para essa medição, considere as seguintes figuras:
Mostram maneiras corretas de se fazer a ligação dos instrumentos:
Provas
A figura ao lado representa duas tensões alternadas senoidais observadas na tela de um osciloscópio.
Acionando-se no osciloscópio as funções necessárias para a obtenção da figura de Lissajous, qual forma será observada na tela?

Provas
- EletrotécnicaCircuitos Elétricos em Eletricidade
- EletrotécnicaCircuitos de Corrente Contínua e de Corrente Alternada
Assinale a alternativa que apresenta a carga total entrando no terminal superior do elemento de circuito abaixo representado. Considere:
i = 0, t < 0
i = 20e -5000t A, t ≥ 0
Provas
Em relação às características a vazio e de curto-circuito de máquinas síncronas, identifique como verdadeiras (V) ou falsas (F) as seguintes afirmativas.
( ) A linha de entreferro corresponde à porção linear da curva de saturação de circuito aberto ou a vazio da máquina.
( ) As características a vazio e de curto-circuito são ambas necessárias para o cálculo da reatância síncrona não
saturada da máquina.
( ) A relação de curto-circuito (RCC) é definida como sendo a razão entre a corrente de campo necessária para que seja
gerada a tensão nominal a vazio e a corrente de campo necessária para se alcançar a corrente de armadura nominal
em curto-circuito.
( ) A resistência efetiva do enrolamento de armadura pode ser calculada por meio da característica a vazio da máquina.
Assinale a alternativa que apresenta a sequência correta, de cima para baixo.
Provas
Provas
Provas
Provas
Provas
Caderno Container