Foram encontradas 50 questões.
Provas
- EletromagnetismoElétricaEletricidade
- EletromagnetismoElétricaForça Elétrica, Campo Elétrico e Eletrização
Provas
A partir da sequência de resposta para os testes f2(f1(5), 3) + f1(2) e f2(f1(6), 2) + f1(3), assinale a alternativa correta
Provas
Com relação à regulação primária de velocidade e tensão, considere as seguintes afirmativas:
1. A função básica da regulação primária (ou controle primário de velocidade) é controlar a potência mecânica da turbina acoplada ao rotor do gerador, através de um regulador de velocidade, de modo a manter o equilíbrio entre geração e carga.
2. A resposta do gerador depende da característica de estatismo do regulador de tensão, de modo que o gerador deve ter condições de aumentar ou reduzir sua geração.
3. O controle primário de frequência é um serviço auxiliar de controle de velocidade das unidades geradoras, realizado por meio de reguladores automáticos de velocidade, sendo que, para esse serviço, está associada a provisão de reserva de potência primária, também definida como um serviço auxiliar.
Assinale a alternativa correta.
Provas
Verificou-se que uma turbina Francis desenvolvia a potência de 5 cv girando a 360 RPM sob uma altura de queda de 2,0 m. Assinale a alternativa que apresenta a rotação e a potência de eixo de uma turbina semelhante cinco vezes maior, funcionando sob uma altura de queda de 5,80 m.
(Considere os rendimentos iguais)
Provas
Provas
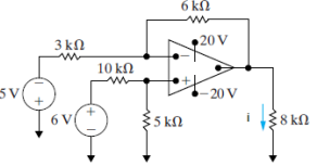
Após a análise de um equipamento eletrônico com comportamento anômalo, a equipe de engenharia identificou um componente como potencial causa do mau funcionamento: um amplificador operacional (AmpOp). A equipe então isolou o componente e criou um circuito de testes, demonstrado ao lado, que é continuamente monitorado. Para que seja possível identificar eventuais problemas, é necessário determinar o valor da corrente i (no resistor de 8 kΩ), para comparações com o valor medido. Levando em consideração os dados apresentados, assinale a alternativa correta com o valor da corrente i, considerando o circuito como ideal.

Provas
O circuito ao lado é utilizado em um sistema de automação como umtípico circuito RC com entrada em degrau. O circuito foi isolado dorestante para a realização de testes e para a sua caracterização. Paratanto, a chave CH1 ficou aberta por um longo período, tendo sidofechada em t = 0. Com relação ao comportamento do circuito após ofechamento de CH1 , identifique como verdadeiras (V) ou falsas (F) asseguintes afirmativas:

( ) ![]()
( ) ![]()
( )![]()
( ) Em regime permanente, em ![]()
Assinale a alternativa que apresenta a sequência correta, de cima para baixo.
Provas
Provas
Sobre os subespaços de Mn,n , considere os seguintes itens:
1. Matrizes n × n em todas as entradas são constituídas por inteiros.
2. Matrizes n × n em que A = At .
3. Matrizes n × n triangulares superiores.
4. Matrizes n × n em que det A = 0.
Os subespaços de Mn,n estão corretos em:
Provas
Caderno Container