Foram encontradas 50 questões.
Provas
Sobre os subespaços de Mn,n , considere os seguintes itens:
1. Matrizes n × n em todas as entradas são constituídas por inteiros.
2. Matrizes n × n em que A = At .
3. Matrizes n × n triangulares superiores.
4. Matrizes n × n em que det A = 0.
Os subespaços de Mn,n estão corretos em:
Provas
Uma subestação é composta por um transformador trifásico com potência nominal igual a 30 MVA, relação de transformação (138/34,5) kV e reatância indutiva igual a 3% (nas bases 30 MVA e 34,5 kV). O lado de tensão mais alta do transformador está conectado em estrela aterrada e o lado de tensão mais baixa do transformador está conectado em delta. A potência de curto-circuito trifásica na barra de 138 kV é igual a 1500 MVA. Na barra de 34,5 kV do transformador, está ligado um gerador síncrono cuja reatância indutiva é igual a 5% (base 15 MVA e 34,5 kV).
Assuma que o fasor de tensão pré-falta na barra de 34,5 kV tem magnitude igual a 1 p.u. e ângulo igual a 0 (zero) grau.
Adote potência base igual a 30 MVA e 34,5 kV no lado de tensão mais baixa do transformador.
Suponha que tenha ocorrido um curto-circuito trifásico na barra de 34,5 kV.
Qual é o valor da corrente de falta proveniente do lado de tensão mais baixa desse transformador?
Provas
Um sensor mede uma grandeza física em um ambiente fabril e produz uma saída em µA. O ambiente fabril é mantido por um ar condicionado instalado em 1993. Como a empresa não tem condições de substituir o sistema de ar condicionado, é necessário ajustar em seus sistemas o valor de saída esperado pelo sensor, considerando que o sensor é suscetível a variações térmicas e que o sistema de ar condicionado perde eficiência ao longo dos anos. Para proceder ao ajuste, a empresa faz medidas da saída do sensor em um ambiente de testes (camada de S), tendo as medidas registradas na tabela abaixo:

Levando em consideração os dados apresentados, assinale a alternativa que apresenta corretamente o valor de S estimado em 2019, utilizando o método dos mínimos quadrados.
Provas
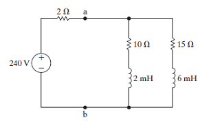
A corrente que circula pelo resistor de 2 Ω (R2Ω) do circuito ao lado é monitorada a cada microssegundo por um sistema de monitoramento, que emite alerta quando a corrente em R2Ω é de 114 A. Durante uma manutenção de rotina, os terminais a e b foram colocados em curto-circuito, por um erro de manobra. Antes da manutenção, o circuito estava operando por um longo tempo, sem interrupções. Levando em consideração os dados apresentados, para quantos µs após o curto-circuito o alarme será emitido?
(Considere, para cálculo, apenas a parte inteira do resultado, ignorando as decimais).

Provas
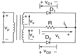
Assinale a alternativa que representa corretamente a função do circuito mostrado ao lado.

Provas
Um circuito de iluminação de 1200 W (127 V), fase-neutro, passa no interior de um eletroduto embutido em alvenaria de PVC, método B1, juntamente com outros três circuitos em cobre. A temperatura ambiente é de 40 °C, sendo k1 = 0,87, k2 = 1 e k3 = 0,65.

Assinale a alternativa que apresenta a seção do condutor, de acordo com a tabela acima.
Provas
Com base na figura ao lado, assinale a alternativa que apresenta a resistência equivalente vista dos terminais de entrada, considerando o circuito com os terminais a e b abertos e com os terminais a e b curto-circuitados, respectivamente.

Provas
No circuito ao lado, existe uma lâmpada de 120 V e 60 W. Qual deve ser a tensão de alimentação E para que a lâmpada opere nessas condições e qual a potência fornecida pela fonte E?

Provas
Durante a análise de um projeto de sistema de controle com realimentação, foi apresentado o diagrama da figura abaixo.

Com base nas informações dessa figura, é correto afirmar que o sistema é:
Provas
Caderno Container