Foram encontradas 429 questões.
Uma determinada instalação elétrica industrial, quando operando à plena carga, possuía um fator de potência demasiadamente atrasado. De forma a melhorar seu fator de potência, foi instalado um banco de capacitores de 40 kVAr, que era ligado apenas durante o período de operação à plena carga. Nos outros períodos, permanecia desligado, quando a indústria operava com carga mínima, consumindo 30 kW com fator de potência unitário. Em um determinado dia, houve uma falha no acionamento desse banco de capacitores, que o manteve ligado durante o período de carga mínima da indústria.
Nesse dia, então, a instalação operou com fator de potência
Provas
Provas
Um motor elétrico de 12 HP de potência mecânica possui rendimento e fator de potência iguais a 0,8 e 0,6, respectivamente.
Sabendo-se que 1 HP é igual a 746 W, a potência aparente desse motor, em VA, é igual a
Provas
O técnico responsável pela manutenção de uma fábrica tem a função de especificar as atividades a serem desenvolvidas nos ensaios dos transformadores dessa fábrica. A seguir, lê-se uma transcrição de um trecho de um roteiro de atividades a serem realizadas durante um desses ensaios:
1) Injetar nitrogênio seco no tanque a 20 kPA e verificar, com água e sabão, possíveis locais de escapamento.
A transcrição acima refere-se à atividade a ser realizada durante o ensaio de
Provas
Uma esteira transportadora é acionada por um motor de indução trifásico de quatro polos, o qual é alimentado eletricamente por um dispositivo capaz de fornecer tensão com frequência variável. Em operação nominal, a velocidade de rotação do eixo do motor é de 29π rad/s, e o escorregamento é de 1/30 .
De acordo com essas informações, em operação nominal, o valor, em hertz, da frequência da tensão elétrica fornecida ao motor é de
Provas
A Figura abaixo apresenta parcialmente o projeto de uma instalação elétrica residencial. Os pontos de luz são acionados por interruptores three-way.

De acordo com as informações apresentadas, os condutores que passam no eletroduto x, indicado na Figura, são:
Provas
Dentre algumas definições de manutenção, existe uma realizada pela Associação Francesa de Normalização, que estabelece que “a manutenç ã o éo conjunto de ações que permitem restabelecer um bem para seu estado específico ou medidas para garantir um serviço determinado”. Dentre os tipos de manutenção, a do tipo preventiva busca evitar que defeitos causem maiores danos às máquinas, bem como paradas imprevistas.
Com relação a esse tipo de manutenção, visando à efetividade de sua execução, verifica-se a necessidade de que seja(m)
Provas
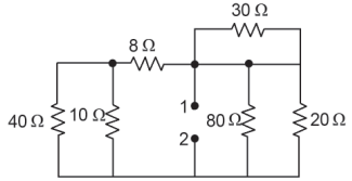
Considere o circuito elétrico composto por um arranjo de resistores, mostrado na Figura a seguir:

Qual o valor, em ohms, da resistência equivalente, medida entre os pontos 1 e 2?
Provas
Provas
Provas
Caderno Container