Foram encontradas 50 questões.
Quais são aproximadamente os valores da corrente e da resistência, respectivamente, de um chuveiro elétrico de potência 5.400w e voltagem 220v?
Provas
Um Técnico em Edificações, estudando uma planta de arquitetura desenhada em uma escala de 1:50, utilizou um escalímetro, marcando escala 1:100, e fez uma leitura de 20 centímetros correspondente à medida do comprimento de uma parede de uma sala na referida planta. O comprimento real desta parede é de quantos metros?
Provas
Observe o desenho a seguir.

Com referência no desenho acima, de uma sapata de fundação de base quadrada de lado medindo 1,0m, e considerando uma margem de escavação de 45cm para cada lado e 15cm no fundo, o volume de solo, em metros cúbicos, retirado pelo trabalho de escavação é de, aproximadamente,
Provas
Observe o croqui a seguir.

Considere um aterro construído sobre uma camada de argila mole, abaixo do qual exista uma camada resistente, conforme croqui acima. A carga do aterro provocará o recalque da camada mole e uma estaca cravada nesse terreno será arrastada com o solo, ficando, desse modo, sujeita a uma carga superior à prevista no projeto. Como se denomina o fenômeno acima descrito?
Provas
Quanto ao processo de fabricação, o aço pode ser da classe A ou da classe B. Qual a principal característica do processo de fabricação do aço da classe A?
Provas
A projeção de uma secção horizontal cortando a edificação logo acima do peitoril das janelas e abaixo da verga das portas, considerando-se a 1m do piso para efeito de desenho de outros elementos em planta, é denominada
Provas
Nos projetos de estruturas de concreto armado, quais aços podem ser empregados em armaduras passivas, de acordo com o valor característico da resistência de escoamento?
Provas
Que sistema de aquecimento d'água possui as seguintes características: não polui o ar, é auto-suficiente, é completamente silencioso e representa uma fonte alternativa de energia?
Provas
Qual o cobrimento mínimo, em milímetros, de uma armadura para uma viga, sem considerar a tolerância de execução "\( \Delta c \)", cuja classe de agressividade ambiental é I?
Provas
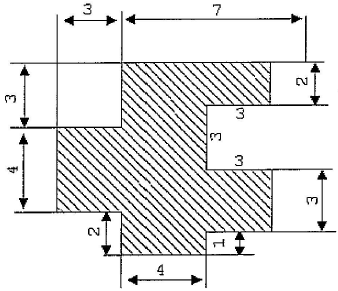
Analise a representação a seguir.

Quantos metros de arame seriam necessários para cercar o perímetro do terreno acima representado, com uma cerca constituída de seis fiadas de arame?
Dado: cotas em metros.
Provas
Caderno Container