Foram encontradas 50 questões.
Assinale a opção que completa corretamente e respectivamente as lacunas da sentença abaixo.
Um amplificador operacional ideal possui como características: impedância de entrada impedância de saída e ganho de tensão .
Provas
Em um FLIP-FLOP do tipo RS básico, quando as entradas R e S estão em "1", a saída é
Provas
Observe o circuito a seguir.

No circuito acima, o transistor Q1 encontra-se
Provas
Quanto ao LED, assinale a opção INCORRETA.
Provas
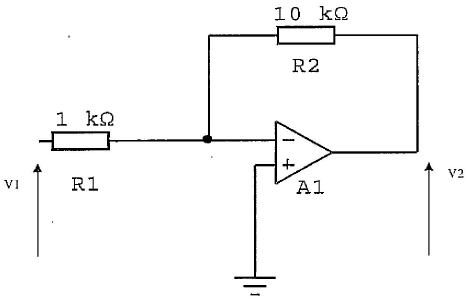
Analise o circuito a seguir.

Considerando o amplificador operacional ideal do circuito acima, qual é a relação V2/V1?
Provas
As linhas de transmissão podem ser basicamente classificadas como dois tipos:
Provas
Em uma antena de meio comprimento de onda, a corrente é máxima no centro e mínima nos extremos, ao passo que a voltagem é máxima nos extremos e mínima no centro. Como se comporta a impedância nessa antena?
Provas
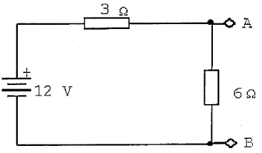
Observe o circuito a seguir.

No equivalente de Thévenin, entre os pontos A e B do circuito acima, qual o valor Vt e Rt, respectivamente?
Provas
Analise a representação a seguir.

Sabendo-se que o voltímetro em questão possui uma impedância de entrada de 10 \( M Ω \), qual a medida de tensão da representação acima?
Provas
Observe o circuito a seguir.

Com as entradas "J" e "K" no nível lógico zero, o que acontecerá com as saídas Q e \( \bar{Q} \) do dispositivo acima, quando ocorrer o pulso de "clock"?
Provas
Caderno Container