Foram encontradas 1.250 questões.
Em uma linha de transmissão de energia elétrica, a tensão é elevada para que a
Provas
Em uma linha trifásica de distribuição de energia elétrica de baixa tensão, existem três fios fase e um fio neutro. Se a tensão entre cada fio fase e o fio neutro for de 220V, a, tensão entre cada duas fases será de aproximadamente:
Provas
Analise as afirmativas a seguir sobre os métodos de variação da velocidade de motores de indução do tipo gaiola de esquilo.
I - A variação da velocidade de motores de indução do tipo gaiola de esquilo é possível através da alteração da frequência aplicada ao estator,
II - A variação da velocidade de motores de indução do tipo gaiola de esquilo é possível através da redução da tensão aplicada ao estator.
III- A variação da velocidade de motores de indução do tipo gaiola de esquilo é possível através do aumento da tensão aplicada ao rotor.
Marque a opção correta.
Provas
São materiais isolantes elétricos:
Provas
No pátio de obras de uma construção, verificou-se que no alojamento dos pedreiros e serventes, que ficava bem afastado da linha de distribuição de energia elétrica, as lâmpadas estavam acendendo muito fracas. Qual é a solução para corrigir esse problema?
Provas
Uma bateria de automóvel apresenta, sem carga, uma tensão de 12V entre seus bornes. Suponha que a resistência interna + dessa bateria é de 0,40, Qual deve ser o valor da tensão nos bornes dessa bateria quando ela estiver conectada a uma carga que solicita uma corrente de 6A?
Provas
- Transformadores e Máquinas ElétricasMáquinas EstáticasTransformadores Trifásicos e Autotransformadores
Um autotransformador é definido como um transformador que tem
Provas
A máquina de lavar roupa de um determinado navio consome 1.200W por hora. Calcule a energia semanal gasta, em quilowatts-hora, considerando que a lavanderia dispõe de três máquinas de lavar e que todas elas foram utilizadas durante 8 horas por dia em 5 dias da semana,
Provas
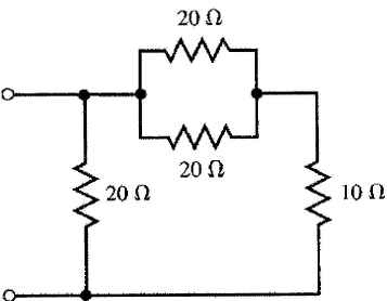
Observe a figura a seguir.

Qual a resistência equivalente do circuito da figura acima?
Provas
Uma bateria é uma associação de pilhas. Pode-se ter as pilhas associadas em série, em paralelo e na forma mista (um grupo de pilhas em paralelo associadas em série). Na existência de 6 pílhas idênticas e considerando a necessidade de alimentar uma carga elétrica que necessite de uma tensão elétrica três vezes maior que a tensão de uma pilha e de uma corrente duas vezes maior que a corrente que pode ser fornecida por uma pilha, deve-se associá-las da seguinte forma:
Provas
Caderno Container