Foram encontradas 50 questões.
As normas regulamentam projeto, fabricação, montagem e utilização de tubulações industriais. Que norma se destaca, por ser empregada e exigida como requisito mínimo de segurança pela maioria dos projetistas e usuários de tubulações industriais?
Provas
Que componente do motor Diesel tem a função de compensar automaticamente a carga, através da aceleração do motor, para que ele continue funcionando à mesma velocidade?
Provas
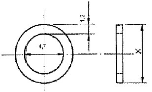
Observe a figura abaixo, com as dimensões dadas em cm.

Qual o valor, em mm, do diâmetro externo X da arruela representada na figura acima?
Provas
Com relação às classes e sistemas de ajuste, coloque V (verdadeiro) ou F (falso) nas afirmativas abaixo, e, em seguida, assinale a opção que apresenta a sequência correta.
( ) Ajuste móvel é o ajuste conseguido no acoplamento de peças em que existe jogo.
( ) Ajuste prensado é o ajuste no qual, depois do acoplamento das peças, existe pressão ou interferência.
( ) Ajuste furo-base é o ajuste em que, para todas as classes de ajuste, as medidas máximas dos eixos são iguais à medida nominal.
( ) Ajuste eixo-base é o ajuste no qual, segundo a posição das medidas reais e das medidas de acoplamento, dentro das zonas toleradas após o acoplamento, pode haver jogo ou interferência.
Provas
Isolamentos térmicos em tubulações têm por finalidade geral reduzir trocas de calor da tubulação com o meio ambiente, ou vice-versa. A partir de que valor de temperatura as linhas quentes devem receber isolamento térmico obrigatório para proteção pessoal?
Provas
Que peça fica localizada na parte superior do motor, servindo de tampa para os cilindros e fixação dos dutos de admissão e descarga?
Provas
Após a realização de soldas em tubulações, a região soldada deverá ser submetida a uma inspeção não destrutiva para verificação de possíveis defeitos. Qual é o tipo de inspeção que apresenta maior confiabilidade em seu resultado?
Provas
Que tipo de compressor não é mais usado nos motores modernos porque, devido ao atrito interno dos anéis e dos pistões nas paredes dos cilindros, suas perdas de eficiência são grandes e a potência consumida é maior que a desejada?
Provas
A câmara de combustão do motor Diesel de injeção indireta, pode possuir diversas formas, EXCETO:
Provas
Em relação aos componentes principais do motor Diesel, é INCORRETO afirmar que
Provas
Caderno Container