Foram encontradas 50 questões.
Como se denomina a ligação de estruturas ou instalações com a terra que tem o objetivo de estabelecer uma referência para a rede elétrica e permitir o fluxo para a terra de correntes elétricas de naturezas diversas, tais como: correntes de raios e descargas eletrostáticas?
Provas
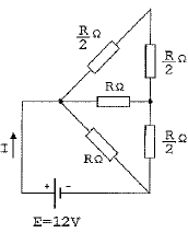
Analise o circuito a seguir.

O circuito série paralelo representado acima é alimentado por uma fonte de tensão ideal. Logo, para R>0, a resistência equivalente do circuito, a corrente I e a potência total dissipada valem, respectivamente:
Provas
Assinale a opção que completa corretamente as lacunas da sentença abaixo.
Ao longo de um corredor, pode-se acionar o mesmo ponto de luz por meio de três interruptores distintos. O projeto do acionamento desse ponto de luz prevê a combinação de um interruptor e dois interruptores .
Provas
Sabendo que um transformador de 5000VA possui perda no cobre igual a l00W, perda no núcleo igual a 70W e fator de potência da carga igual a 85%, qual é a eficiência desse transformador?
Provas
Analise os diagramas a seguir.
A partir dos diagramas apresentados acima, analise as seguintes afirmativas sobre o funcionamento do circuito de acionamento de um motor de indução trifásico.
I - Acionando-se a chave b1 para a posição "D", a bobina do contactar C1 é ligada à rede, abre-se o contato auxiliar de c1 e fecham-se os seus contatos principais, partindo o motor.
II - O circuito de comando é projetado de modo a impedir, em condições normais de funcionamento, a energização simultânea das bobinas dos contactares Cl e C2.
III- A inversão do sentido de rotação do motor é obtida pela inversão de duas fases em seu circuito de comando.
IV - Este método de partida é permitido para motores até 5cv (3,7kW). A partir dessa potência, devem ser usados dispositivos que limitem a corrente de partida dos motores.
Assinale a opção correta.
Provas
Analise as afirmativas abaixo em relação ao amperímetro.
I - Sua escala pode ser calibrada em amperes, miliamperes ou microamperes.
II - Para medir a corrente em um circuito, o amperímetro é ligado em paralelo com o mesmo.
III- A adição do amperímetro causa um acréscimo na resistência do circuito de valor igual à sua resistência interna.
IV - Sua exatidão é proporcional à relação entre a corrente no circuito quando o amperímetro está conectado nele, e a corrente quando esse amperímetro não está conectado.
Assinale a opção correta.
Provas
- Transformadores e Máquinas ElétricasMáquinas EstáticasTransformadores Trifásicos e Autotransformadores
Analise a figura abaixo.

Sabendo que, no autotransformador representado na figura acima, Np =120 espiras, Ns = 40 espiras e Vs = l0V, qual é o valor de Vp?
Provas
Sabendo que um sistema trifásico CBA com 3 condutores, 120 V, alimenta uma carga em triângulo constituída pelas indutâncias, em Ohms: !$ Z_{AB} = 20 \angle 90^{ \circ}\,\,Z_{BC} = 12 \angle 30^{ \circ} !$ e !$ Z_{ca} = 10 \angle 0^{ \circ} !$, qual é a corrente, em Amperes, em cada um desses indutores, respectivamente?
Provas
A aplicação de motores de corrente contínua é mais difundida
Provas
Assinale a opção que apresenta um dispositivo de proteção de circuitos elétricos capaz de interromper grandes potências de curto-circuito durante ocorrência de um defeito, cuja interrupção está diretamente ligada a sua tensão nominal.
Provas
Caderno Container