Foram encontradas 50 questões.
Em relação às instalações elétricas, como se denomina o equipamento utilizado para abrigar equipamentos de seccionamento, proteção, comando, sinalização, instrumentos de medida ou outros destinados ao controle e supervisão da instalação?
Provas
Analise a figura abaixo.

Considerando os valores dos componentes apresentados, qual é o valor da corrente elétrica •r• no circuito acima?
Provas
Analise o circuito abaixo.

Assinale a opção abaixo que apresenta a indutância equivalente ao circuito acima.
Provas
Os aparelhos de medidas elétricas são instrumentos de medição que fornecem uma avaliação da grandeza elétrica, baseando-se em efeitos físicos causados por essa grandeza. Sendo assim, em relação aos instrumentos elétricos de medidas comumente utilizados em laboratórios, é correto afirmar que o
Provas
A impedância equivalente resultante da associação em paralelo das impedâncias (10+j50) !$ \Omega !$e (40-j50)!$ \Omega !$ tem natureza:
Provas
Observe o circuito a seguir.

Calcule a queda de tensão através de cada resistor acima, e assinale a opção correta.
Provas
No Sistema densidade de são expressas, Internacional (SI), as grandezas energia, fluxo magnético, fluxo magnético e indutância respectivamente, nas unidades:
Provas
Em relação ao capacitar, analise as afirmativas abaixo.
I - A diferença de potencial entre seus terminais é proporcional à carga existente no capacitar.
II - Sua capacitância é dada em Coulomb/Volt ou Farad.
III- Tem capacitância de 1 Farad se adquirir uma carga de 1 Coulomb para cada 1 Volt aplicado aos seus terminais.
Assinale a opção correta.
Provas
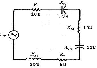
Observe o circuito a seguir.

Calcule a impedância(Z) do circuito acima constituído de resistores, reatâncias capacitivas e reatâncias indutivas em série, e assinale a opção correta.
Provas
Calcule a reatância capacitiva do circuito formado por um capacitar de 20μF ligado em série com um capacitar de 30μF, conectados a uma rede monofásica de 115V e 60Hz, e assinale a opção correta.
Dado:
Provas
Caderno Container