Foram encontradas 50 questões.
Com relação aos planos de projeção, quantas posições diferentes um ponto pode ocupar?
Provas
Com relação às especificações dos cordões de soldas por fusão (a arco ou a gás) em desenho mecânico, é correto afirmar que:
Provas
No seguinte exemplo de indicação de um parafuso: M15 x 50, a letra M, o número 15 e o número 50 representam, respectivamente:
Provas
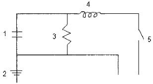
Observe a figura abaixo.

Identifique os elementos no circuito elétrico ilustrativo acima e assinale a opção correta.
Provas
Quantos graus deve ter o ângulo de perfil de uma rosca métrica?
Provas
Assinale a opção que apresenta um dos passos para que se inscreva um octógono regular em um quadrado.
Provas
Assinale a opção que completa corretamente as lacunas da sentença abaixo.
Diz-se que um plano é projetante quando é perpendicular a pelo menos um dos planos de projeção. Nesse sentido, é projetante o plano , pois é perpendicular a .
Provas
Observe a figura abaixo.

Qual opção apresenta a indicação do tipo de perfil da rosca da figura acima?
Provas
Observe a figura abaixo.

A figura acima representa:
Provas
O Corte parcial é utilizado quando se deseja:
Provas
Caderno Container