Foram encontradas 50 questões.
Qual é a capacidade de carga m1n1ma no piso de trabalho para plataformas elevatórias, em kg?
Provas
Analise a figura a seguir.

Qual é o deslocamento de uma embarcação, flutuando no mar, sabendo-se que esta possui coeficiente prismático de 0,6, comprimento na linha d'água de 50m e a seção mestra representada na figura acima?
Dado:
Peso específico da água= 1,025t/m3
Provas
Dentre os elementos estruturais de um navio, qual NÃO concorre para a resistência aos esforços longitudinais?
Provas
Observe a figura a seguir.

Faça a leitura da medida indicada no micrômetro representado acima, e assinale a opção que apresenta essa medida corretamente.
Provas
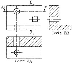
Observe a figura a seguir.

Assinale a opção que apresenta as vistas ortográficas, em corte, que correspondem ao modelo em perspectiva acima com indicação em dois planos de corte.
Provas
Com relação ao corte total, é correto afirmar que:
Provas
Uma peça com comprimento real de 2000 mm é representada no desenho em escala 1:20. Logo, o seu comprimento no desenho será, em mm, de;
Provas
Observe a figura a seguir.

Calcule o momento fletor máximo da viga representada acima, e assinale a opção correta.
Provas
Quando ocorre um alongamento ou encurtamento longitudinal das fibras, a parte tracionada ou comprimida é acompanhada de uma deflexão lateral cujo coeficiente é denominado de:
Provas
Como se denomina o instrumento de medida utilizado para se fazer uma medição indireta?
Provas
Caderno Container