Foram encontradas 50 questões.
Como se denomina a superestrutura localizada na parte externa da popa de um havlo, acompanhada de elevação da borda?
Provas
Como se denomina o processo de inspeção por emissão de vibrações de alta frequência em peça soldada, com base em teste não destrutivo?
Provas
Em relação ao diagrama de equilíbrio Ferro-Carbono (Fe-C), assinale a opção correta.
Provas
Observe a figura a seguir.

Com base na figura acima, calcule os momentos de inércia em relação ao eixo x e ao eixo y, respectivamente, e assinale a opção correta.
Provas
Em relação ao treinamento periódico bienal para capacitação de trabalhadores à realização de trabalho em altura, assinale a opção correta.
Provas
Como se denomina a saliência formada na carena de alguns navios em torno do eixo do hélice?
Provas
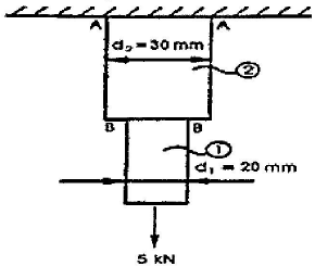
Observe a figura a seguir, que representa uma peça formada por duas barras de aço de seções circulares, unidas por solda na seção BB.

Na figura acima, a carga de tração que atua na peça é de 5 kN e as seções 1 e 2 da peça possuem diâmetro igual a 20 mm (d1) e 30 mm (d2), respectivamente. Sendo assim, desprezando-se o efeito do peso próprio do material, assinale a opção que apresenta os valores mais próximos das tensões normais para as seções 1 e 2, respectivamente.
Provas
Observe a figura a seguir.

Faça a leitura da medida indicada no paquímetro representado na figura acima e assinale a opção que apresenta essa medida corretamente.
Provas
Uma fita retangular de 3 cm de largura foi instalada em torno de uma pequena lata cilíndrica de 12 cm de altura e 300!$ \pi !$ cm3 de volume, dando uma volta completa, conforme mostrado na figura a seguir.

Qual a área da superfície da lata ocupada pela fita?
Provas
Como se denomina o tratamento térmico que consiste no aquecimento do aço a uma temperatura acima da zona crítica, seguido de resfriamento ao ar?
Provas
Caderno Container