Foram encontradas 750 questões.
Observe o circuito abaixo.

Calcule a tensão da fonte VB e marque a opção correta.
Provas
Em Voice-Over-lP (VolP), uma variação de atraso do pacote é:
Provas
De acordo com Comer (2007), parte da motivação para usar bits iniciais para denotar uma classe de endereço em vez de usar uma faixa de valores advém de considerações computacionais. Sabendo que usar bits pode diminuir o tempo de computação, assinale a opção equivalente ao endereço IP de notação decimal 192.5.48.3.
Provas
Com relação ao DHCP (Dynamic Host Configuration Protocol), é INCORRETO afirmar que:
Provas
Qual tecnologia permite que um computador utilize um endereço IP na sua rede local e outro endereço IP na Internet?
Provas
Sobre o protocolo SNMP (Simple Network Management Protocol), marque a opção correta.
Provas
De acordo com Nyquist, um sinal de áudio com largura de banda de 2000Hz possui uma amostra a cada:
Provas
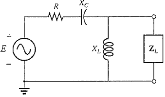
Determine a impedância da carga no circuito abaixo de tal forma que a potência na carga seja máxima, calcule o valor dessa potência e assinale a opção correta.

Dados:
!$ E = 10 \angle 0^{\circ} !$
!$ R = \Omega !$
!$ X_C = 3 \Omega !$
!$ X_L = 3 \Omega !$
Provas
Assinale a opção que apresenta as representações do número 179210 na base binária e hexadecimal respectivamente.
Provas
Correlacione os parâmetros com suas respectivas definições e assinale a opção correta.
PARÂMETROS
I - Eficiência (ri)
lI- Diretividade {D)
IlI- Ganho (G)
IV- Relação Frente-Costas (RFC)
V- Largura de Faixa
DEFINIÇÕES
( ) É a relação entre o campo irradiado pela antena em uma determinada direção e o campo que seria irradiado por uma antena isotrópica que recebesse a mesma potência.
( ) é a relação entre a potência realmente irradiada por uma antena e a potência a ela entregue pelo transmissor.
( ) é a faixa de frequências na qual a antena pode operar satisfatoriamnente, sem alterar suas caracterfsticas mais importantes.
( ) é a relação entre a potência irradiada em uma direção predominante e aquela irradiada no mesmo eixo, porém em direção oposta.
( ) é o resultado do produto da eficiência pela diretividade.
Provas
Caderno Container