Foram encontradas 50 questões.
Quanto á simbologia de transmissão de sinais de sistema de instrumentação industrial, faça a associação adequada e assinale a alternativa correta.

I - link de comunicação
II - sinal pneumático
III - sinal elétrico
IV - conexão ao processo
Provas
No circuito abaixo, o transistor apresenta uma corrente de coletor de 2mA e uma tensão de coletor de +5V.

Sabendo que !$ \beta !$ = 100 e a tensão entre base e emissor é de 0,717V, os valores aproximados dos resistores, em k!$ \Omega !$, RC e RE, são, respectivamente:
Provas
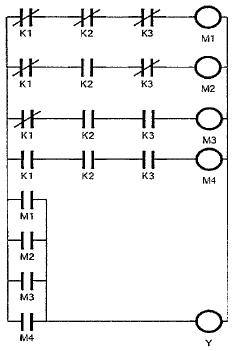
Observe a figura abaixo.

A expressão equivalente ao diagrama em Ladder apresentado acima é dada por:
Provas
NÃO se trata de uma linguagem de acordo com o padrão 61131-3:
Provas
Sejam os números 4A16, na forma hexadecimal e 1000102, na forma binária.
Sendo assim, a soma desses números no sistema decimal será:
Provas
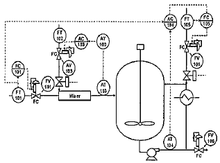
Em relação à simbologia de instrumentação, analise o diagrama abaixo.

Com base nesse diagrama, analise as afirmativas a seguir.
I - O Instrumento FT-101 é um transmissor de vazão.
II - FC-105 possui a função de medir a vazão acumulada.
III - AT-103 e AT-104 são alarmes de temperatura alta.
Provas
Assinale a opção correta, com relação a materiais semicondutores
Provas
Observe o diagrama abaixo.

A simplificação da expressão lógica encontrada no Diagrama de Veitch-Karnaugh é dada por:
Provas
Assinale a opção que NÃO está relacionada à medição de temperatura.
Provas
Analise o circuito a seguir

Assinale a opção que NÃO corresponde ao circuito de um Amp Op ideal acima representado.
Provas
Caderno Container