Foram encontradas 50 questões.
Assinale a opção que apresenta um semicondutor de junção p-n cuja operação é limitada à condição reversa.
Provas
O número 7AD(16), na forma decimal, é equivalente a:
Provas
Observe a figura abaixo:

Qual é a expressão booleana S do circuito lógico acima?
Provas
Analise o circuito abaixo:

No circuito acima, se VIn for um pulso retangular, Vout será:
Provas
Analise a tabela a seguir:
| A | B | C | S(A,B,C) |
| 0 | 0 | 0 | 0 |
| 0 | 0 | 1 | 0 |
| 0 | 1 | 0 | 0 |
| 0 | 1 | 1 | 0 |
| 1 | 0 | 0 | 1 |
| 1 | 0 | 1 | 1 |
| 1 | 1 | 0 | 0 |
| 1 | 1 | 1 | 1 |
A expressão lógica que descreve a tabela verdade acima é igual a:
Provas
Um sistema trifásico possui uma tensão de linha de 340V e uma corrente de linha de 20A. Sabendo que o fator de potência é 0,9, assinale a opção que apresenta, respectivamente, a potência aparente em kVA, a potência ativa em kW e a potência reativa em kVAr.
Provas
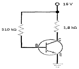
Analise o circuito a seguir:

Assinale a opção que apresenta a corrente no coletor do transistor.
Dados: VBE = 0,7 V; !$ \beta = 120 !$.
Provas
Observe a figura abaixo:

Uma bobina de 4mH e um capacitor de 1 0pF formam o secundário de um transformador. Determine a frequência de ressonância no secundário em MHz e assinale a opção correta.
Provas
Observe as figuras abaixo:

Dados o circuito e o gráfico com as curvas características do transistor bipolar de junção (lC x VCE) e a reta de carga do circuito descritos nas imagens acima, determine, respectivamente, os valores de RB e RC que permitam polarizar o transistor no ponto Q assinalado na figura e marque a opção correta.
Provas
Observe a figura abaixo:

Sabendo que a tensão entre os pontos A e B é de 5V, calcule o valor da corrente IA e assinale a opção correta.
Provas
Caderno Container