Foram encontradas 650 questões.
Observe a figura abaixo:

Qual é a medida indicada pelo micrômetro da figura?
Provas
Em relação às ligas não ferrosas, é correto afirmar que:
Provas
No que diz respeito aos processos de fabricação mecânica, assinale a opção correta.
Provas
A figura abaixo representa que tipo de válvula?

Provas
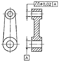
O seguinte desenho apresenta a indicação de qual tolerância?

Provas
O dispositivo responsável por eliminar o condensado, gases incondensáveis e ar das tubulações industriais é o:
Provas
Considerando critérios empíricos da carpintaria naval, dos elementos de fixação listados abaixo, marque o menos seguro.
Provas
Assinale a opção que completa corretamente as lacunas da sentença abaixo.
A madeira quando é muito graças à umidade que contém.
Provas
Na figura abaixo, é apresentado um modelo de panóplia de madeira para confecção de brasão da Marinha do Brasil. Um marceneiro precisa saber calcular o tamanho de sua área geométrica destacada em cinza. Os setores circulares ilustrados na figura possuem o mesmo raio de r.

Assinale a opção que apresenta o valor da área da panóplia.
Provas
As variações de temperatura e de umidade relativa do ar, causadas pelo intemperismo podem provocar na madeira o efeito de:
Provas
Caderno Container