Foram encontradas 50 questões.
Considere a figura abaixo.

A transmissão por correias apresentada na figura acima representa um motor à combustão interna que aciona simultaneamente o alternador e a bomba d'água. A rotação do motor é de 3000 rpm. Sendo assim, a relação de transmissão entre motor e bomba d'água e a velocidade angular do alternador em rad/s valem respectivamente:
Provas
Os compressores são empregados nas mais diversas aplicações industriais. Existem diferentes tipos de compressores para diferentes aplicações. A esse respeito, assinale a opção correta.
Provas
Dentre os processos de fabricação mecânica, assinale o que apresenta aquele que possibilita realizar a soldagem sem presença de metal de adição.
Provas
Com o objetivo de usinar um material de aço temperado, com elevada dureza, o qual atinge aproximadamente 1000ºC durante o processo de usinagem, o operador deve escolher uma ferramenta de corte fabricada de:
Provas
Assinale a opção que apresenta a resolução do paquímetro ilustrado abaixo.

Provas
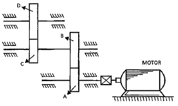
O trem de engrenagens representado na figura abaixo apresenta as seguintes características:
Número de dentes da engrenagem A= 16; Número de dentes da engrenagem B = 40; Número de dentes da engrenagem C = 25; e Número de dentes da engrenagem D= 120.

Considerando que o motor emprega uma potência de 42kW a uma rotação de 3600rpm, calcule a rotação da engrenagem D e assinale a opção correta.
Provas
Quanto a processos de fabricação mecânica, assinale a opção que NÃO apresenta um processo de usinagem.
Provas
Considere a figura abaixo.

A figura acima ilustra dois métodos de ligação de tubos. Os itens 1, 2 e 3 são respectivamente:
Provas
Dentre as medições apresentadas nas opções abaixo, assinale aquela que NÃO se aplica a relógios comparadores.
Provas
Com a finalidade de projetar um elevador (apresentado na Considere a figura abaixo. figura abaixo) com carga máxima de elevação de 960kg, calcule a carga mínima de ruptura a qual o cabo de aço deve resistir, considerando que o projeto deverá possuir coeficiente de segurança igual a 9 e assinale a opção correta.
Dado:
g=9,81 m/s2

Provas
Caderno Container