Foram encontradas 50 questões.
O resultado da operação de soma entre os números 1101112 e A216é igual a:
Provas
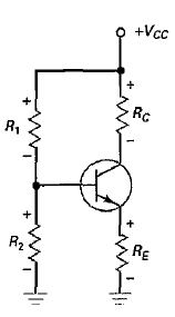
Um transistor bipolar de junção está polarizado por um circuito divisor de tensão como ilustrado na figura abaixo. Calcule o valor da tensão na base do transistor e assinale a opção correta.
Dados:
R1=4k!$ Ω !$;
R2=6k!$ Ω !$;
Rc=1k!$ Ω !$;
R!$ ε !$=3k!$ Ω !$; e
Vcc=10V.

Provas
A figura abaixo apresenta um flip-flop tipo T. Considerando que a entrada T=1 e as terminações CLEAR (CLR) e PRESET (PR) estão em nível lógico 1, então a salda Q após um pulso de clock (CK) de descida é igual a:

Provas
"Se baseia na propriedade de que dois metais dissimilares unidos em uma junção, chamada de junta quente, geram uma força eletromotriz, de alguns milivolts, na outra extremidade submetida a uma temperatura diferente da primeira junção"
(ALVES, 2012, p.24).
Assinale a opção que corresponde ao principio de funcionamento do sensor descrito acima.
Provas
Considere a equação lógica expressa a seguir:
F = ABC'D' + ABC'D + AB'C'D + ABCD + AB'CD + ABCD' +AB'CD'
Assinale a opção que equivalentemente expressa a mesma função dessa equação, em forma de diagrama LADDER.
Provas
Um transistor está em corte quando:
Provas
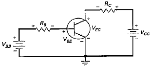
Observe a figura abaixo:

Calcule o valor da corrente IC que circula no coletor do transistor e assinale a opção correta.
Dados:
!$ β !$= 200;
VBE = 0,7 V;
VBB = 2 V;
RB = 130 K!$ Ω !$; e
RC = 1 K!$ Ω !$
Provas
Observe a figura abaixo:

Calcule o valor da tensão de saída "Vo" do Amp-op ideal e assinale a opção correta.
Dados:
V1=4 V ;
Rf =300 K!$ Ω !$ ;e
R1 =100 K!$ Ω !$
Provas
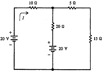
Calcule a corrente I no circuito apresentado na figura abaixo e assinale a opção correta.

Provas
Uma bateria tem uma saída de 12 V em circuito aberto. Conectando um resistor de 100 !$ Ω !$ entre seus terminais, a tensão de saída da bateria cai para 10 V. De acordo com os dados, calcule a resistência interna da bateria e assinale a opção correta.
Provas
Caderno Container