Foram encontradas 50 questões.
Observe o circuito abaixo.

Calcule a tensão de polarização Vos do circuito e assinale a opção correta.
Dados: !$ R_1 = 10 \Omega\,K \Omega; R_2 = 5\,K \Omega, R_D= 1 K \Omega; R_S = 4 K \Omega V_{DD} = 15 V; !$e
!$ I_D = I_{DSS} \left ( 1 - { \large V_{GS} \over V_p} \right)^2 !$
Provas
Uma das propriedades das portas lógicas é a suficiência de NE (NANO), segundo a qual é possível montar circuitos lógicos utilizando somente portas lógicas desse tipo. Utilizando somente portas NE (NANO) de duas entradas, assinale a opção que apresenta a quantidade mínima de portas que seriam necessárias para montar um circuito lógico para a função abaixo.
!$ A. B + A \bar{C} !$
Provas
Observe o circuito abaixo.

Considerando o circuito acima, calcule o valor de L para que a frequência de ressonância do circuito seja 1000 kHz e assinale a opção correta.
Provas
Sobre circuitos de corrente alternada, assinale a opção INCORRETA.
Provas
Observe o circuito abaixo.

Considere que o amplificador operacional possui ganho A = 10 VN e resistências de entrada r1 = 40 kO e de salda r0 = 4 k!$ \Omega !$, não podendo ser aproximado por um amplificador operacional ideal. Assim, determine o ganho VoN1, aproximadamente, e assinale a opção correta.
Provas
Coloque F (falso) ou V (verdadeiro) nas afirmativas abaixo, em relação às propriedades dos dispositivos semicondutores, assinalando a seguir a opção correta.
( ) Os semicondutores são uma classe especial de elementos cuja condutividade está entre a de um bom condutor e a de um isolante.
( ) Em um cristal de silício ou germânio dopado, os quatro elétrons de valência de um átomo formam um arranjo de ligação com quatro átomos adjacentes.
( ) Um material semicondutor que tenha sido submetido ao processo de dopagem é chamado de material intrlnseco.
( ) O material do tipo 'p' é formado pela dopagem de um cristal puro de germânio ou silício com átomos de impureza que possuem cinco elétrons de valência.
( ) Em um material do tipo p, a lacuna é o portador majoritário e o elétron é o portador minoritário.
Provas
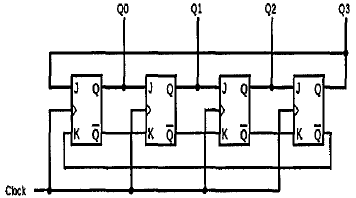
Observe o circuito abaixo.

Considerando inicialmente Q3 = O, Q2 = 0, Q1 = O e Q0 = 1, quantas saldas diferentes o circuito acima apresentará?
Provas
Considere o transistor NPN na figura abaixo.

Antes de ser colocado em um circuito, esse componente pode ser verificado com um multímetro na configuração para teste de diodos. No funcionamento normal do transistor, há duas medições que resultarão em leitura de tensão. Assinale a opção que apresenta o terminal do multímetro (positivo e negativo) e o ponto (8, C e E) ao qual ele estará conectado para essas duas medições.
Provas
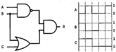
Considere o circuito lógico abaixo à esquerda, com entradas A, B e C, e saída S. Dados os valores para as entradas A, B e C no gráfico abaixo à direita, assinale a opção que apresenta os valores para a saída S.

Provas
Para o circuito e valor de entrada do sinal A abaixo especificados, durante quanto tempo a saída S permanecerá em nível lógico 1 no período de 300 ns? Desconsidere o tempo de atraso de propagação na entrada e considere o tempo de atraso de propagação na saída de 10 ns, tanto para mudança de nível lógico O para 1, quanto de nível lógico 1 para 0.

Provas
Caderno Container