Foram encontradas 50 questões.
Observe a figura abaixo.

Com base nas informações do circuito acima, calcule a queda de tensão VR e assinale a opção correta.
Provas
Em sistemas digitais, como é chamado o código no qual apenas um bit varia de um número para o seu consecutivo?
Provas
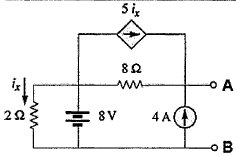
Observe a figura abaixo.

Com base nas informações do circuito acima, determine o valor da fonte de corrente equivalente entre os terminais A e B e assinale a opção correta.
Provas
Considere a tabela verdade abaixo.
| A | B | C | D | S |
| 0 | 0 | 0 | 0 | 0 |
| 0 | 0 | 0 | 1 | X |
| 0 | 0 | 1 | 0 | 0 |
| 0 | 0 | 1 | 1 | X |
| 0 | 1 | 0 | 0 | 0 |
| 0 | 1 | 0 | 1 | 1 |
| 0 | 1 | 1 | 0 | 0 |
| 0 | 1 | 1 | 1 | 1 |
| 1 | 0 | 0 | 0 | X |
| 1 | 0 | 0 | 1 | X |
| 1 | 0 | 1 | 0 | 1 |
| 1 | 0 | 1 | 1 | 1 |
| 1 | 1 | 0 | 0 | 0 |
| 1 | 1 | 0 | 1 | X |
| 1 | 1 | 1 | 0 | 0 |
| 1 | 1 | 1 | 1 | 0 |
Considerando que X representa a condição irrelevante ou don't care, assinale a opção que apresenta a expressão booleana mais simplificada para S.
Provas
Converta o número decimal 2489 em binário e hexadecimal e assinale a opção correta.
Provas
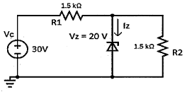
Observe a figura abaixo:

Calcule a corrente Iz que atravessa o Diodo Zenner e assinale a opção correta.
Provas
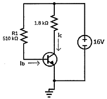
Observe a figura abaixo.

Considerando que a tensão entre a base e o emissor VBE = 0, 7 V para o transistor NPN e o valor de ganho de corrente !$ \beta \, = \, 120, !$ os valores das correntes Ib e Ic são, respectivamente:
Provas
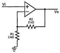
Observe a figura abaixo.

Considerando que a tensão Vi = 5 V, calcule o valor de V0 e assinale a opção correta.
Provas
Observe a figura abaixo.

Assumindo que o diodo é ideal, calcule o valor da corrente Io que circula no circuito acima e assinale a opção correta.
Provas
Com relação aos diodos semicondutores e demais dispositivos, é correto afirmar que:
Provas
Caderno Container