Foram encontradas 50 questões.
Assinale a opção que apresenta uma das vantagens da instalação de banco de capacitores em uma típica instalação industrial.
Provas
Como é denominado o instrumento para detecção de falhas de isolamento entre cabos condutores devido à umidade ou degradação do isolamento?
Provas
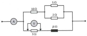
Examine a figura abaixo.

Sabendo que os instrumentos de medição são considerados ideais, qual é o fasor de corrente lido no amperímetro apresentado no circuito da figura acima, sabendo que o voltímetro colocado nos terminais do resistor de \( 3 \Omega \) indica 45 V?
Dado: \( \sqrt 2 = 1,414 \).
Provas
Examine a figura abaixo.

Assinale a opção que apresenta a classe dos amplificadores de potência que a figura acima representa.
Provas
O motor de indução trifásico com rotor bobinado de frequência 50Hz, quando ligado na rede elétrica de 60Hz, apresenta as seguintes particularidades, EXCETO que a:
Provas
Assinale a opção que apresenta ma característica de um amplificador operacional ideal.
Provas
Suponha um circuito retificador de onda completa em ponte, alimentado por uma fonte de tensão cujo valor eficaz é de 220 V e frequência de 60 Hz. Assinale a opção que apresenta a frequência do sinal observado na saída do retificador.
Provas
Um transformador de 250 kVA, tensão secundária nominal de 220 V e frequência de 60 Hz está funcionando a plena carga com fator de potência igual a 0,85 em atraso. Assim, qual é a capacitância, aproximadamente, do banco necessário para corrigir o fator de potência para 0,98 atrasado?
Dados: \( \pi = 3,14 \); cos(31,8º)= 0,85; sen(31,8º)=0,53; cos(11,5º)=0,98; sen(11 ,5º)=0,2.
Provas
Um motor de indução trifásico de quatro polos, 500 V, 55 kW e 50 Hz, tem sua velocidade em carga nominal de 1470 rpm. Supondo que o motor esteja operando com a carga nominal, qual é o escorregamento do motor?
Provas
Analisando o circuito Y abaixo.

Assinale a opção que apresenta a conversão equivalente em \( \Delta \).
Provas
Caderno Container