Foram encontradas 50 questões.
Coloque V (verdadeiro) ou F (falso) nas afirmativas abaixo, sobre os métodos de partida dos motores elétricos, assinalando a seguir a opção correta.
( ) Na partida estrela-triângulo, o motor parte em estrela, assim consistindo em uma tensão inicial de 68% da tensão nominal, e passado um certo tempo a ligação é modificada para triângulo com tensão nominal. Esse método proporciona uma redução na corrente de partida de aproximadamente 33% do seu valor. Para serem possíveis os motores devem ter a possibilidade de ligação em dupla tensão, devem ter também o mínimo de seis bornes de ligação.
( ) Na partida chave compensadora, as bobinas do motor são alimentadas com tensão reduzida durante a partida. Essa redução de tensão é feita por um autotransformador em paralelo com as bobinas, após entrar em regime a tensão é restabelecida. O autotransformador tem T APS operacionais na ordem de 50%, 65% e 80% da tensão aplicada.
( ) Na partida por soft-starter, o motor saí da inércia por um aumento progressivo na tensão, o que lhe confere uma partida sem "golpes" e reduz o pico de corrente. Essa progressão da tensão pode ser controlada por rampa de aceleração ou limitação da corrente. Assim é assegurada proteção térmica ao motor e controlador, proteção mecânica do equipamento e controle das características de funcionamento, principalmente durante partida e parada.
( ) O inversor de frequência é o método mais eficiente para controle de velocidade de motores de indução trifásico, assim o motor tem ajuste continuo de velocidade e conjugado com relação à carga. Eles podem ser classificados quanto ao tipo de controle: escalar e vetorial. O controle vetorial se restringe à velocidade sem atuação no torque e dinâmica do processo. O escalar consegue atender o controle de velocidade e as demandas do processo.
Provas
Examine a tabela abaixo.
![]()
A tabela acima é utilizada para dimensionar condutores pelo critério de queda de tensão. Assumindo que a tabela já está de acordo com o tipo de isolação do condutor, o modo de instalação, o material do eletroduto, o tipo de circuito e com o fator de potência do circuito, qual é a menor seção nominal do condutor, em mm2, que deve ser adotada para o seu dimensionamento, de acordo com o critério do limite de queda de tensão e considerando que o limite da queda de tensão máximo seja de 2% para o trecho da instalação, o comprimento do circuito seja de 30 metros, que a corrente de projeto do circuito seja de 30 ampères e que a tensão de alimentação seja de 127 volts?
Provas
Um militar da Marinha do Brasil, a pedido do seu encarregado, estudou os parâmetros de transformador localizado no sistema de controle de propulsão de um navio. Por meio dos valores fornecidos pelo fabricante, o militar observou que o enrolamento primário possuía indutância de 100 mH enquanto o enrolamento secundário apresentava um valor de 1600 mH. Ao considerar um fator de acoplamento de 0,5, qual é o valor da indutância mútua do transformador?
Provas
Considere A= 10010011, B=00111101 , C=10000011 e D=11101110. Sabendo que A, B, C e D estão no sistema de numeração binário, qual é o valor de ((A AND B) XOR (C OR D))?
Provas
Examine a figura abaixo.

Assinale a opção que apresenta o correto valor do Duty Cycle da forma de onda periódica apresentada na figura acima, considerando que o tempo no nível baixo tL = 6 ms e o tempo no nível alto tH = 14 ms.
Provas
Aplica-se a um circuito elétrico em regime senoidal uma tensão \( v(t) = 400. sen(30t + 110º)V \). A corrente que passa por esse circuito é \( i(t) = 20. cos(30t - 115º)A \). Com base nessas informações, assinale a opção que apresenta os sinais da tensão e da corrente, respectivamente, em grandezas fasoriais.
Dado: \( \sqrt 2 = 1,414 \).
Provas
O modelo de sistema de proteção contra descargas atmosféricas (SPDA) que tem como característica o volume de proteção propiciado por um cone, em que o ângulo da geratriz em relação à vertical varia de acordo com o nível de proteção desejado e a uma altura específica da construção, sendo também conhecido como método do ângulo de proteção é do tipo:
Provas
Examine a figura abaixo.

Com base nas informações apresentadas, qual é o valor da resistência equivalente medida entre os terminais "a" e "c"?
Provas
Assinale a opção que apresenta o tipo de seletividade de circuitos elétricos que é fundamentado no princípio de que as correntes de curto-circuito crescem à medida que o ponto de defeito se aproxima da fonte de suprimento.
Provas
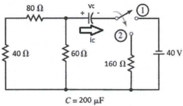
Examine a figura abaixo.

Suponha que o capacitar na figura acima esteja inicialmente descarregado. Em t = 0 s, a chave é comutada para a posição 1 e, após 100 ms, é mudada para a posição 2. A corrente ic com a chave na posição 2 é igual a:
Provas
Caderno Container