Foram encontradas 50 questões.
Latões comuns são ligas que contêm cobre e:
Provas
Com relação aos processos de fabricação mecânica, assinale a opção que apresenta o processo em que a ferramenta denominada fieira é utilizada.
Provas
Na fundição, moldes são recipientes cujas cavidades formam a peça a ser fundida através do vazamento do metal líquido. Com base nesse processo, é correto afirmar que:
Provas
Uma liga de ferro-carbono foi submetida ao tratamento de têmpera com resfriamento rápido em um meio contendo água. A estrutura obtida será de:
Provas
Com relação ao processo de soldagem TIG, a polaridade do eletrodo afeta diretamente a penetração da junta soldada. Sendo C/C para corrente continua e CA para corrente alternada, assinale a opção correta.
Provas
Com relação aos compressores industriais, assinale a opção INCORRETA.
Provas
A figura abaixo é a ilustração do parafuso:

Provas
A simbologia representada na figura abaixo corresponde à válvula:
![]()
Provas
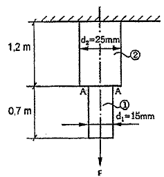
Observe a figura abaixo.

Na figura acima, duas barras de aço, 1 e 2, de seção reta circular, estão soldadas na seção AA. A carga de tração F que atua nas barras é de 5.400 N. Desprezando o peso próprio das barras, os alongamentos das barras 1 e 2, em mm, são respectiva e aproximadamente:
Dados:
E=210 GPa
\( \pi \)=3,1415
Provas
Em relação às propriedades magnéticas, é correto afirmar que:
Provas
Caderno Container