Foram encontradas 50 questões.
Assinale a'opção que apresenta o efeito sobre a transição dúctil-frágil.
Provas
Sobre o tratamento termoquímico de nitretação liquida, também chamado de nitretação em banho de sal, coloque F (falso) ou V (verdadeiro) nas afirmativas abaixo, assinalando a seguir a opção correta.
( ) Somente aços-liga especiais podem ser submetidos a esse tratamento termoquímico.
( ) Após o tratamento, é uma prática comum a realização do tratamento térmico de têmpera.
( ) Uma das vantagens do tratamento é a elevada resistência à fadiga proporcionada aos aços.
( ) A faixa de temperatura utilizada no tratamento é de aproximadamente 500 a 575 ºC.
( ) Esse tratamento é o mais adequado dentre os processos de nitretação para a obtenção de camadas nitretadas com grande profundidade.
Provas
Com relação à fluência, assinale a opção correta.
Provas
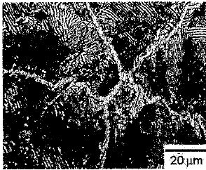
Um técnico em metalurgia precisa extrair informações da micrografia de uma liga de aço, como mostra a figura abaixo.

Com base na micrografia apresentada acima, é correto afirmar que se trata de uma liga:
Provas
Um dos tratamentos iermoquímicos de desenvolvimento mais recentes é o de boretação. Sobre esse assunto, assinale a opção correta.
Provas
Como é denominada a combinação dos fenômenos de absorção e reemissão, no que tange às propriedades ópticas dos metais?
Provas
Segundo Chiaverini (1986), os carbetos precipitados adquirem uma formação esferoidal sobre um fundo de ferrita fina acicular e a dureza Rockwell C cai a valores de 45 a 25, sendo essas estruturas chamadas de "sorbiticas". Assim, assinale a opção que apresenta a faixa de temperatura de aquecimento da martensita, durante o revenimento, em que ocorre a transformação estrutural supracitada.
Provas
Aços de alta resistência e baixo teor em liga são caracterizados por apresentarem elementos que entram em sua composição. De acordo com a principal função de cada elemento, analise as afirmativas abaixo.
I. O carbono é o principal responsável pela resistência mecânica e pela queda na ductilidade, trabalhabilidade, resistência ao choque e soldabilidade. Pelos seus efeitos negativos, é mantido baixo.
II. O cromo, além de aumentar a resistência mecânica, quando adicionado, reduz a suscetibilidade à "fragilidade de revenido", além de melhorar as propriedades a temperaturas mais elevadas.
III. O alumínio é utilizado para desoxidar e refinar grão. Entre outros elementos, é considerado o mais eficiente para controlar o crescimento de grão.
IV. O zircônio é eventualmente adicionado para desoxidar, atuando igualmente no sentido de garantir granulação fina.
Assinale a opção correta.
Provas
Os aços inoxidáveis austeníticos, ao serem submetidos a temperaturas entre 400 ºC e 900 ºC, estão sujeitos a um fenômeno corrosivo que ocorre devido ao empobrecimento de um certo elemento de liga nos contornos de grão do material. Tal fato gera uma pilha ativo-passiva, em que as regiões dos contornos de grão são anódicas em relação aos grãos, os quais constituem as áreas catódicas. Esse elemento de liga é denominado:
Provas
O aço, após sofrer superaquecimento, apresenta:
Provas
Caderno Container