Foram encontradas 100 questões.
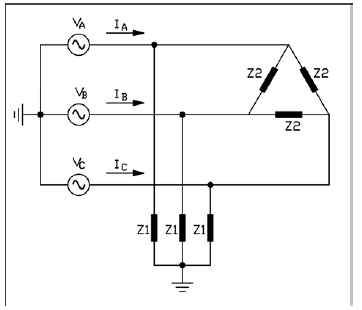
A solução de circuitos trifásicos equilibrados é facilitada adotando-se o equivalente de linha única do circuito. Entretanto, quando as impedâncias da carga são ligadas em !$ \Delta !$, faz-se necessário converter estas impedâncias para o seu equivalente em Y.
Dados: !$ V_A = 120 \angle 0ºV; V_B = 120 \angle -120ºV; V_C = 120 \angle 120ºV; Z_1 = 10 \angle 30º Ω !$ e !$ Z_2 = 15 \angle 30º Ω !$

Com base no exposto, o equivalente em Y da impedância da carga ligada em !$ \Delta !$ e o módulo da corrente de linha do circuito a seguir são, respectivamente:
Provas
Com relação à Norma Regulamentadora 10 (NR 10) – Segurança em Instalações e Serviços em Eletricidade considere as afirmativas a seguir:
I. Com relação à segurança em projetos, este deve definir a configuração do esquema de aterramento e a obrigatoriedade ou não da interligação com o condutor neutro.
II. Como medida de prevenção coletiva, deve-se adotar prioritariamente a isolação de partes vivas, o emprego de obstáculos, barreiras e sinalização, além de sistema de seccionamento automático da alimentação.
III. Nos trabalhos em instalações elétricas, mesmo quando as medidas de proteção coletiva são suficientes para controlar os riscos, devem ser adotados obrigatoriamente equipamentos de proteção individual adequados, de forma a permitir segurança adicional.
Assinale:
Provas
Uma condição coloca em risco a integridade física dos equipamentos na operação de transformadores em paralelo, ou seja, na interligação de seus primários e de seus secundários em regime de trabalho. Essa condição ocorre quando:
Provas
A figura a seguir mostra o diagrama fasorial referente a um circuito trifásico equilibrado, cuja sequência de fase é abc, a tensão entre a fase a e o neutro é !$ \vec{V} an = 110 \angle - \alpha º V !$.

Considerando !$ \sqrt{3} \cong 1,73 !$, as tensões em volts entre as fases são:
![]()
Provas
Em relação ao problema de controle e limite relacionados aos estudos de fluxo de potência, considere as afirmativas a seguir:
I. Nas barras de geração e nas barras onde são ligados compensadores síncronos, o controle da magnitude da tensão é realizado somente através do ajuste da corrente de armadura das máquinas síncronas. O emprego de dispositivos estáticos baseados em eletrônica de potência também pode ser realizado objetivando realizar esse controle.
II. Os transformadores com controle automático de tap são utilizados, principalmente, no controle do fluxo de potência entre as barras no qual estão conectados.
III. O controle de tensão em barras remotas pode ser executado tanto por transformadores em fase como por injeção de reativos.
Assinale:
Provas
O sistema trifásico da figura a seguir está equilibrado.

Nessa condição, as potências complexas envolvidas em cada uma das impedâncias que compõem a carga trifásica, possuem:
Provas
O esquema a seguir apresenta dois interruptores paralelos, uma lâmpada e os fios de fase e neutro.

A ligação que comanda corretamente a lâmpada, deverá conectar:
Provas
Em máquinas trifásicas de indução, os enrolamentos do estator devem ser conectados a uma fonte trifásica equilibrada. Os enrolamentos do rotor são curto-circuitados internamente ou conectados por meio de anéis coletores a uma impedância passiva equilibrada. No que diz respeito a esse tipo de motor, analise as afirmativas a seguir:
I. Para o rotor desenvolver torque positivo, é necessário que ele gire mais lentamente que o campo magnético girante.
II. A velocidade de deslizamento é dada por !$ S = { \large V_s - V \over V_s} !$, onde s é a velocidade de deslizamento !$ V_s !$ é a velocidade do campo girante e !$ V !$ a velocidade do rotor.
III. Sem torque de carga, esta máquina opera com elevado deslizamento.
Assinale:
Provas
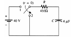
No circuito da figura a seguir, depois de permanecer muito tempo na posição 1, a chave é colocada na posição 2 no instante !$ t = 0 !$.

Considerando que o capacitor C estará descarregado em um tempo igual a cinco constantes de tempo do circuito, o valor de t, em segundos, para o qual o capacitor estará descarregado, é:
Provas
Um transformador na configuração !$ \Delta !$ – Y está sujeito a uma tensão nos terminais do primário de 13,8kV e no secundário de 220/127V. A relação de espiras do primário pelo secundário é de:
Provas
Caderno Container