Foram encontradas 100 questões.
Uma indústria tem vários motores de indução instalados, perfazendo uma potência de 480kW e um motor síncrono de 500kVA. Esta indústria opera com todos os motores de indução funcionando simultaneamente, apresentado um fator de potência total de 0,8 para estes motores. O motor síncrono funciona com 400kVA e com fator de potência igual a 1,0. Atuando somente no motor síncrono, de maneira que ele continue realizando o mesmo trabalho mecânico, pode-se elevar o fator de potência de toda a instalação de:
Obs.: considere: tg (!$ cos^{–1} 0,8 !$) = 0,75; !$ tg^{–1} !$ (36/88) = 23º
![]()
Provas
Os equipamentos de uma instalação elétrica, que estavam sendo alimentados por circuitos ligados a uma determinada fase, queimaram. Um técnico constatou que o fio neutro do alimentador do quadro dos circuitos terminais estava rompido. Nesse contexto, pode-se afirmar que a possível causa do acidente foi o surgimento de:
Provas
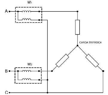
A configuração a seguir refere-se à ligação de dois wattímetros. Ela é utlizada na medição das potências ativa e reativa em uma carga trifásica.

Sabendo-se que as medições de cada um dos wattímetros são !$ W_1 !$ e !$ W_2 !$ , é correto afirmar que o somatório de !$ W_1 !$ e !$ W_2 !$ é igual à potência:
Provas
A filosofia de proteção contra contatos indiretos está calcada na limitação do tempo de exposição ao choque elétrico, de modo a manter a integridade física da pessoa que está utilizando a instalação elétrica.
A norma NBR-5410, que regula os procedimentos em instalações elétricas de baixa tensão, prescreve que essa proteção pode ser alcançada somente por meio de disjuntor para o esquema indicado na seguinte alternativa:
Provas
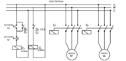
Um técnico projetou um sistema de controle para acionamento de motores, conforme o esquema simplificado a seguir.

Sabe-se que a chave !$ S_2 !$ possui um retardo de !$ \Delta t !$ segundos para mudar de estado.
Nessas condições, é correto afirmar que:
Provas
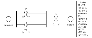
O diagrama unifilar simplificado a seguir apresenta um sistema composto de um gerador alimentando um motor por meio de três transformadores (T1, T2, e T3). A tensão e a potência de bases no setor em que se encontra o gerador são, respectivamente, iguais a 15kV e 1.000VA.

Nessas condições, pode-se afirmar que, a reatância subtransitória (x”) do motor, em p.u., é:
Provas
Observe a curva de carga que diz respeito a uma edificação destinada ao funcionamento de escritórios com horários definidos para as atividades desenvolvidas no local. Além disso, o fornecimento de energia elétrica pela concessionária local é regido de acordo com a contratação tarifária do tipo horo-sazonal azul.

A demanda de potência contratada está adequada à instalação e o expediente começa às 8 e termina às 18 horas.
Ao se adiantar o expediente, pode-se afirmar que:
Provas
Em uma dada subestação de poste existem junto ao transformador alguns equipamentos necessários para a sua proteção. Para a proteção contra sobrecorrente e sobretensão são utilizados, respectivamente:
Provas
Um sistema de proteção contra descargas atmosféricas do tipo Franklin foi concebido para prover a segurança de uma edificação com largura e comprimento de 20m. A altura e as condições de utilização desse prédio determinam um ângulo de proteção de 450.
Sabendo-se que serão utilizados quatro captores, pode-se afirmar que a altura mínima desses captores em relação à cobertura é de:
Provas
Observe a figura a seguir, que representa o triângulo das potências referente à solicitação de um motor trifásico da fonte de energia.

Sabendo-se que a sua potência mecânica é denominada de potência útil, é correto afirmar que
Provas
Caderno Container